Fuse Block: Service and Repair
UNDERHOOD ELECTRICAL CENTER OR JUNCTION BLOCK REPLACEMENTREMOVAL PROCEDURE
1. Disconnect the negative battery cable.
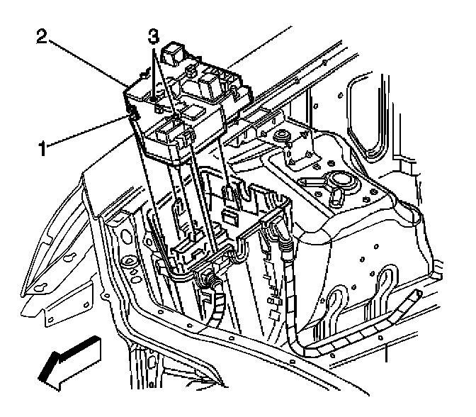
2. Remove the electrical center cover (1).
3. Remove the fastener securing the negative cable (2) to the electrical center.
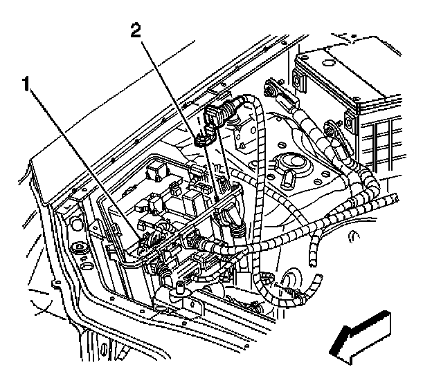
4. Disconnect the electrical connector (1).
5. Remove the fasteners (3) securing the electrical center board (2).
6. Unlock the tabs (1) on the electrical center board.
7. Lift up on the electrical center board.
8. Pull upward on the harness at the locking tabs (1) in order to remove.
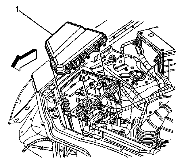
9. Remove the fasteners (1, 2) securing the electrical center (3) to vehicle.
INSTALLATION PROCEDURE
NOTE: Refer to Fastener Notice in Service Precautions.
1. Install fasteners (1, 2) securing the electrical center (3) to vehicle.
Tighten
Tighten the fasteners to 10 N.m (86 lb in).
2. Install the harness at the locking tabs (1).
3. Install the fasteners (3) securing the electrical center board (2).
Tighten
Tighten the fasteners to 7 N.m (62 lb in).
4. Install the fastener securing the negative cable (2) to the electrical center.
Tighten
Tighten the fasteners to 15 N.m (11 lb ft).
5. Install the electrical center cover (1).
6. Connect the negative battery cable.