Curiosii for ever!: Car repair manuals for everyone.

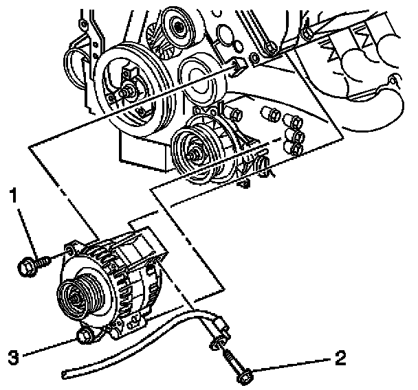
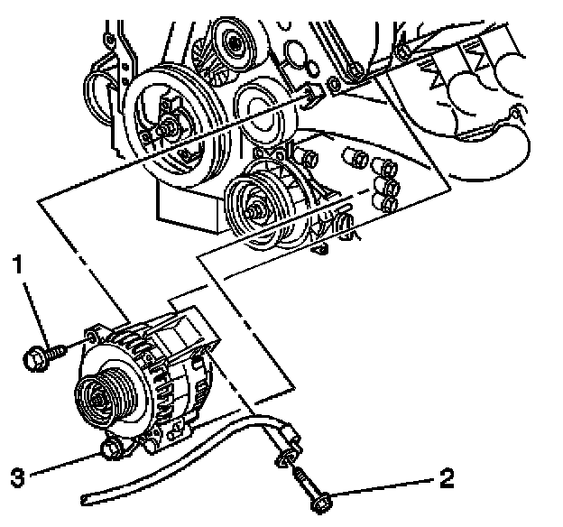
Generator Replacement

REMOVAL PROCEDURE
The Denso SC1 (KG9) generator is serviced as a complete unit only.
1. Disconnect the battery negative cable.
2. Remove the drive belt.
3. Remove the engine cooling fans.




4. Disconnect the wiring harness connector from the generator.
5. Reposition the protective boot from the generator output BAT terminal for access.
6. Remove the generator output BAT terminal nut and disconnect the positive lead from the generator.




7. Loosen the lower generator bolt (3).
8. Remove the generator bolts (1, 2) from the generator.
9. Remove the generator from the vehicle.

INSTALLATION PROCEDURE




1. Position the generator to the A/C compressor and engine.
2. Install the generator mounting bolts (1, 2).

NOTE: Refer to Fastener Notice in Service Precautions.

Tighten
Tighten the generator mounting bolts to 50 N.m (37 lb ft).




3. Connect the wiring harness connector to the generator.
4. Connect the battery positive lead and install the generator output BAT terminal nut.

Tighten
Tighten the generator output BAT terminal nut to 12.5 N.m (111 lb in).

5. Press the protective boot on to the generator output BAT terminal.
6. Install the engine cooling fans.
7. Install the drive belt.
8. Connect the battery negative cable.