Curiosii for ever!
: Car repair manuals for everyone.
Home
>>
Cadillac
>>
2003
>>
DeVille V8-4.6L VIN 9
>>
Repair and Diagnosis
>>
Steering and Suspension
>>
Steering
>>
Steering Column
>>
Steering Column Control Module
>>
Locations
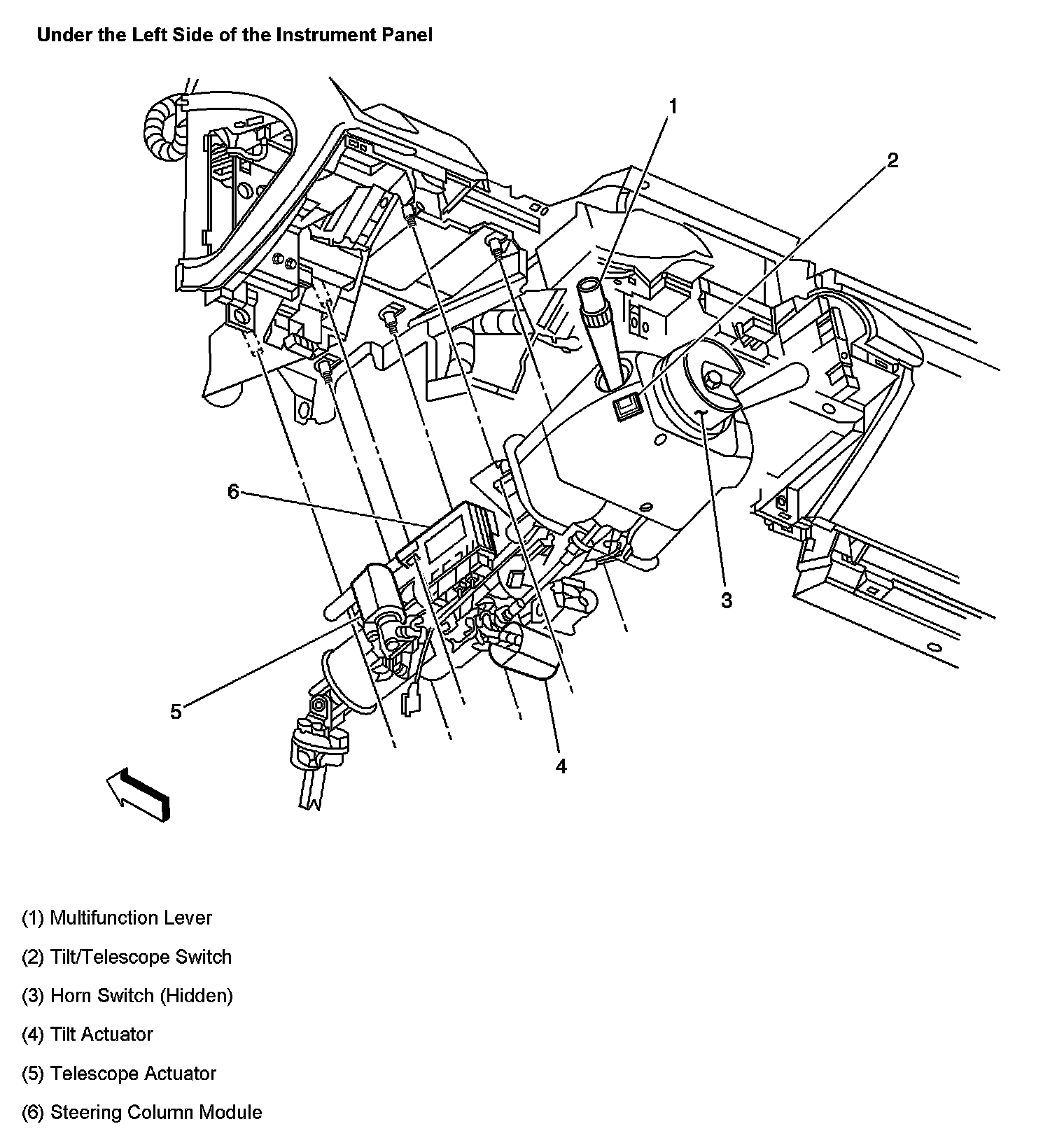
Steering Column Control Module: Locations
Under The Left Side Of The Instrument Panel:
Under The Left Side Of The Instrument Panel: