Curiosii for ever!
: Car repair manuals for everyone.
Home
>>
Cadillac
>>
2003
>>
DeVille V8-4.6L VIN 9
>>
Repair and Diagnosis
>>
Diagrams
>>
Exploded Views
>>
Engine
>>
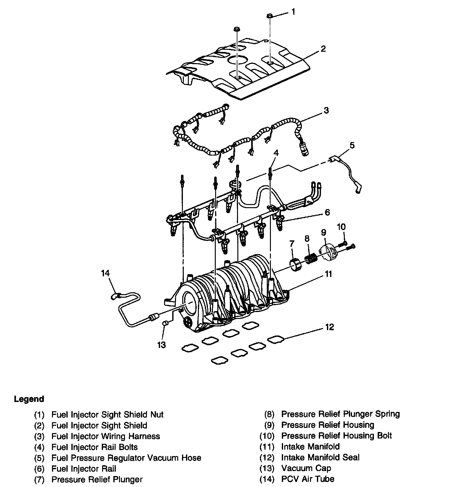
Intake Manifold
Intake Manifold