Curiosii for ever!: Car repair manuals for everyone.

Body Control Module

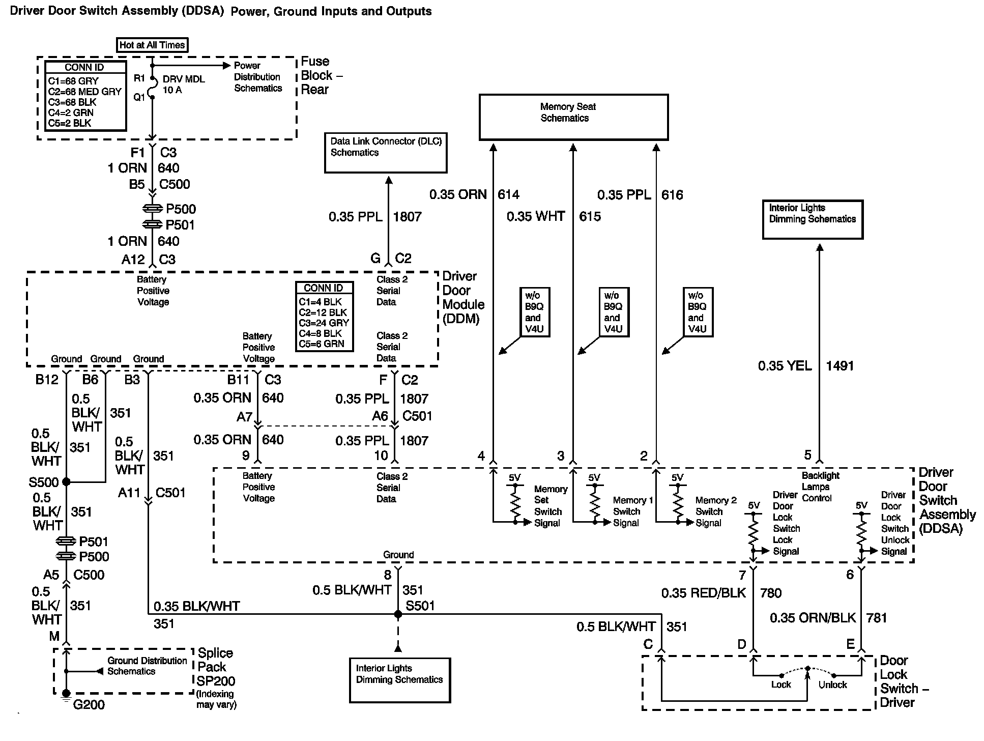
Driver Door Switch Assembly (DDSA) Power, Ground Inputs and Outputs:




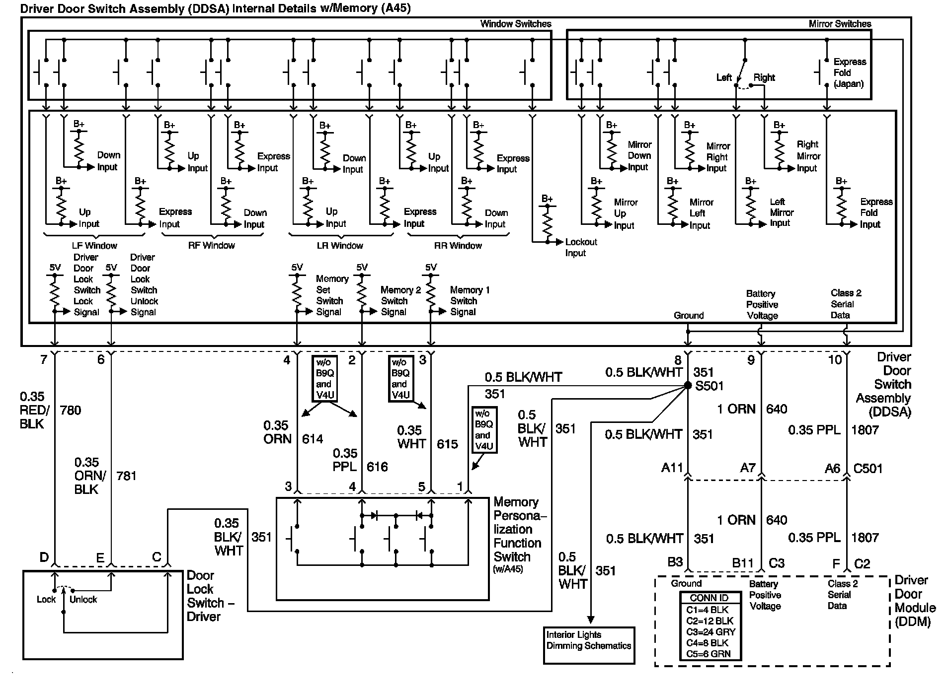
Driver Door Switch Assembly (DDSA) Internal Details w/Memory (A45):




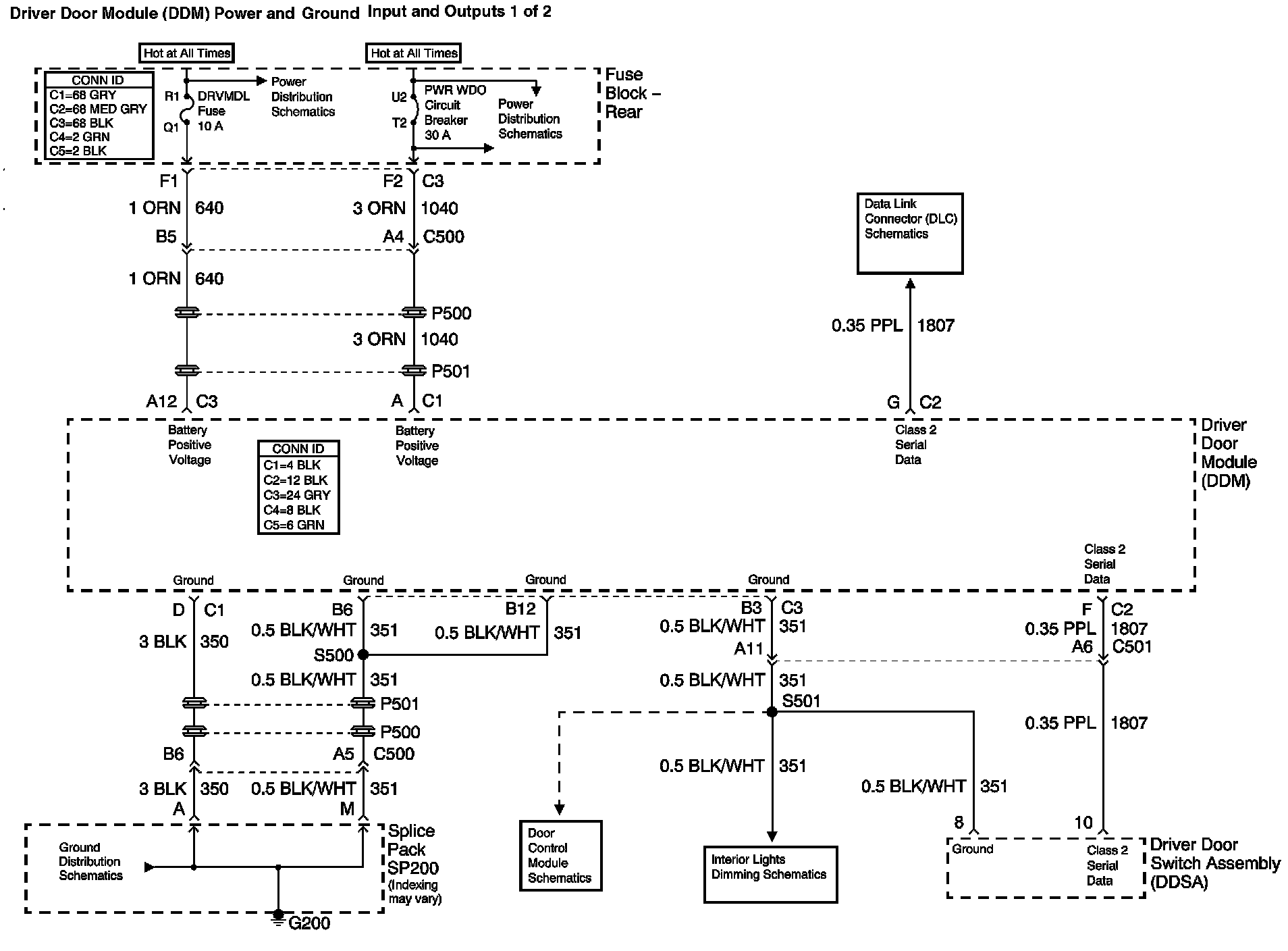
Driver Door Module (DDM) Power and Ground Input and Outputs 1 of 2:




Driver Door Module (DDM) Power, Ground Inputs and Outputs 2 of 2:




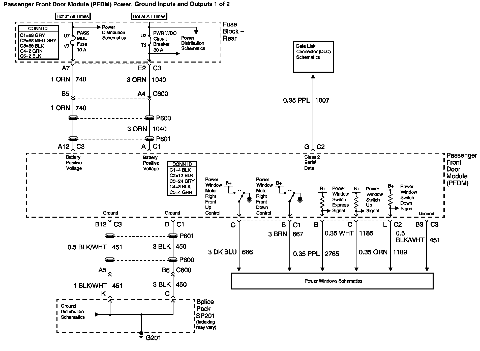
Passenger Front Door Module (PFDM) Power, Ground Inputs and Outputs 1 of 2:




Passenger Front Door Module (PFDM) Power, Ground Inputs and Outputs 2 of 2:




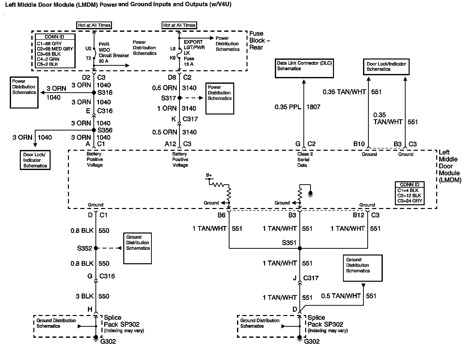
Left Middle Door Module (LMDM) Power and Ground Inputs and Outputs (w/V4U):




Right Middle Door Module (RMDM) Power, Ground Inputs and Outputs (w/V4U):




Left Rear Door Module (LRDM) Power, Ground Inputs and Outputs:




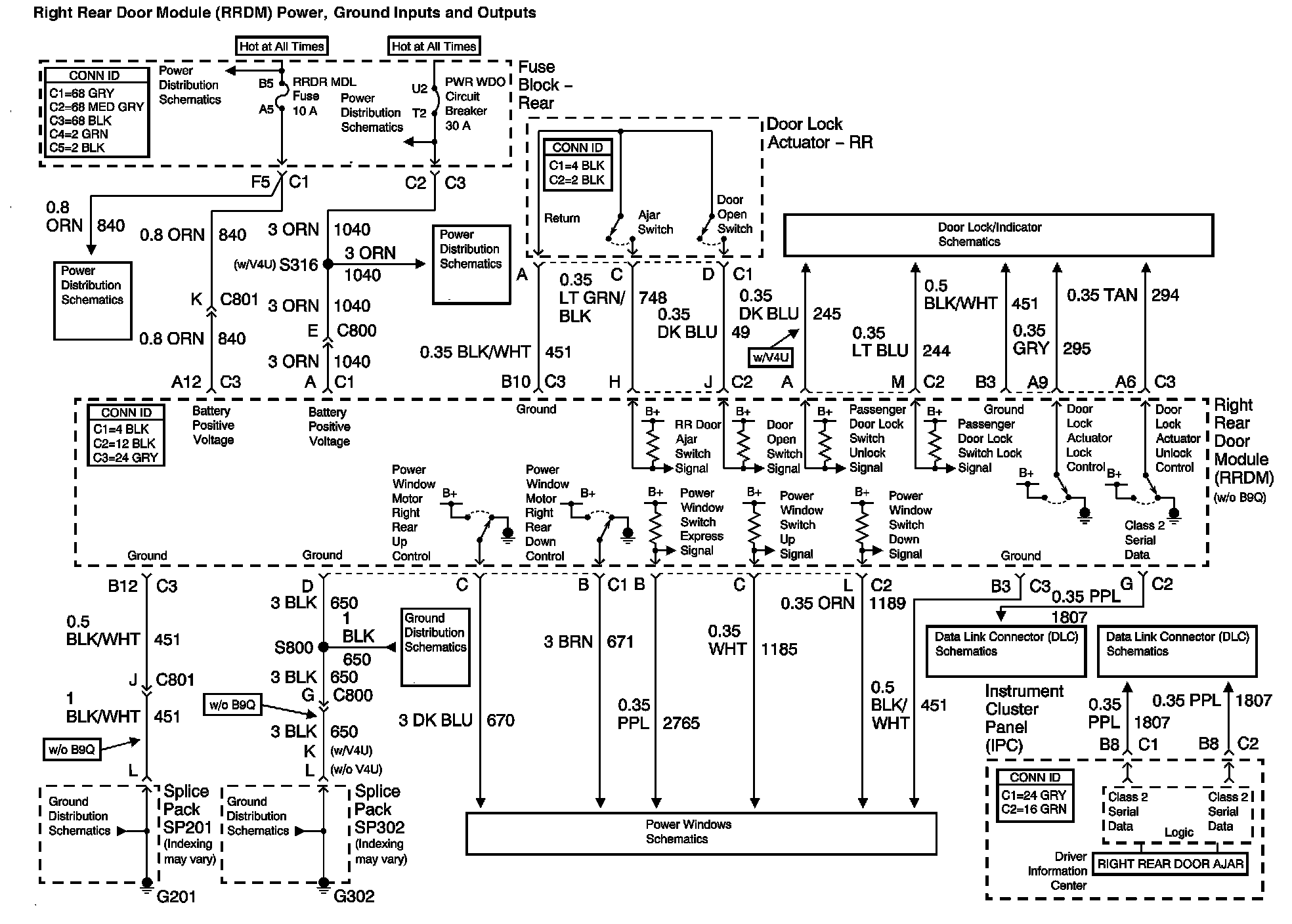
Right Rear Door Module (RRDM) Power, Ground Inputs and Outputs: