Curiosii for ever!: Car repair manuals for everyone.

Fuse Block: Service and Repair

UNDERHOOD ELECTRICAL CENTER OR JUNCTION BLOCK REPLACEMENT

REMOVAL PROCEDURE
1. Disconnect the battery.

CAUTION: Refer to Battery Disconnect Caution in Service Precautions.




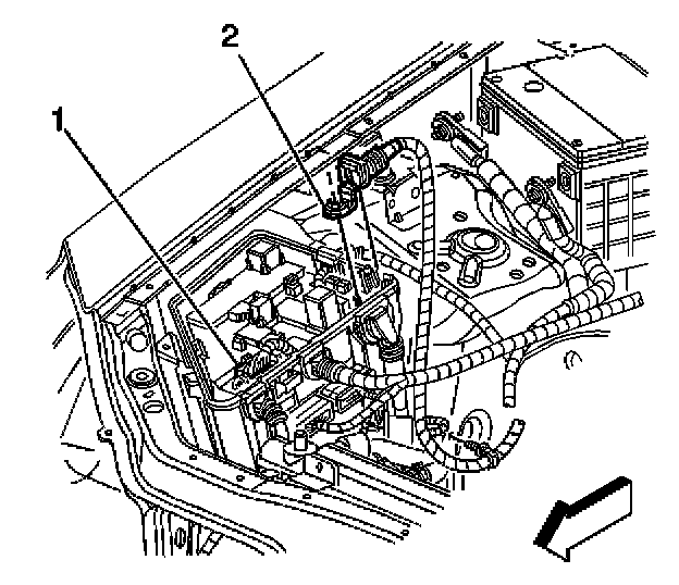
2. Remove the electrical center cover (1).




3. Remove the fastener securing the negative cable (2) to the electrical center.
4. Disconnect the electrical connector (1).




5. Remove the fasteners (3) securing the electrical center board (2).
6. Unlock the tabs (1) on the electrical center board.
7. Lift up on the electrical center board.




8. Pull upward on the harness at the locking tabs (1) in order to remove.




9. Remove the fasteners (1, 2) securing the electrical center (3) to vehicle.

INSTALLATION PROCEDURE




1. Install fasteners (1, 2) securing the electrical center (3) to vehicle.

NOTE: Refer to Fastener Notice in Service Precautions.

Tighten
Tighten the fasteners to 10 N.m (86 lb in).





2. Install the harness at the locking tabs (1).




3. Install the fasteners (3) securing the electrical center board (2).




4. Install the fastener securing the negative cable (2) to the electrical center.




5. Install the electrical center cover (1).
6. Connect the negative battery cable.