Curiosii for ever!: Car repair manuals for everyone.

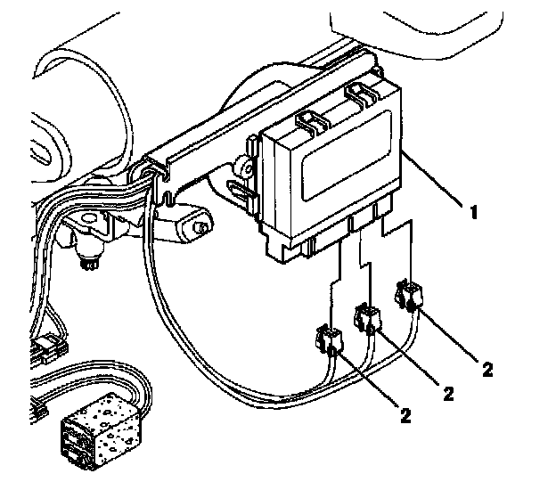
Steering Column Control Module

Steering Column Control Module Replacement

Removal Procedure

Caution: Refer to SIR Caution in Service Precautions.

1. Disable the SIR system.
2. Remove the knee bolster.





3. Disconnect the steering column control module electrical connectors (2).





4. Remove the steering column control module (a) from the lower steering column wire harness shield (1) by pulling the module outward (to release retaining clips) and sliding downward.

Installation Procedure





1. Install the steering column control module (2) to the lower steering column wire harness shield (1).





2. Connect steering column control module electrical connectors (2).
3. Install the knee bolster.
4. Enable the SIR system.