Curiosii for ever!: Car repair manuals for everyone.

Steering Wheel HVAC Control Assembly Replacement

REMOVAL PROCEDURE

CAUTION: Refer to SIR Handling Caution in Service Precautions.




1. Disable the SIR system. Refer to Disabling the SIR System in Restraint Systems.
2. Remove the steering wheel inflatable restraint module.
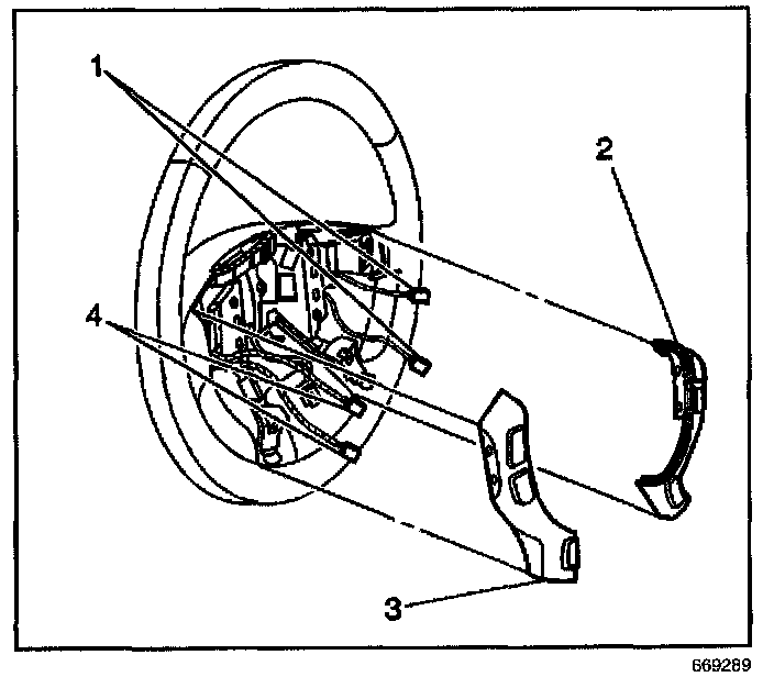
3. Carefully pull the steering wheel control switch (2) away from the steering wheel in order to release the steering wheel control switch from the steering wheel.
4. Disconnect the electrical connectors (1) for the steering wheel control switch (2).
5. Remove the steering wheel control switch (2) from the steering wheel.

INSTALLATION PROCEDURE




1. Connect the electrical connectors (1) to the steering wheel control switch (2).
2. Align the steering control switch (2) engagement tabs to the steering wheel. Push in on the steering wheel control switch (2) in order to secure the control switch to the steering wheel.
3. Install the steering wheel inflatable restraint module.
4. Enable the SIR. Refer to Enabling the SIR System in Restraint Systems.