Curiosii for ever!
: Car repair manuals for everyone.
Home
>>
Cadillac
>>
2002
>>
Seville STS V8-4.6L VIN 9
>>
Repair and Diagnosis
>>
Diagrams
>>
Electrical Diagrams
>>
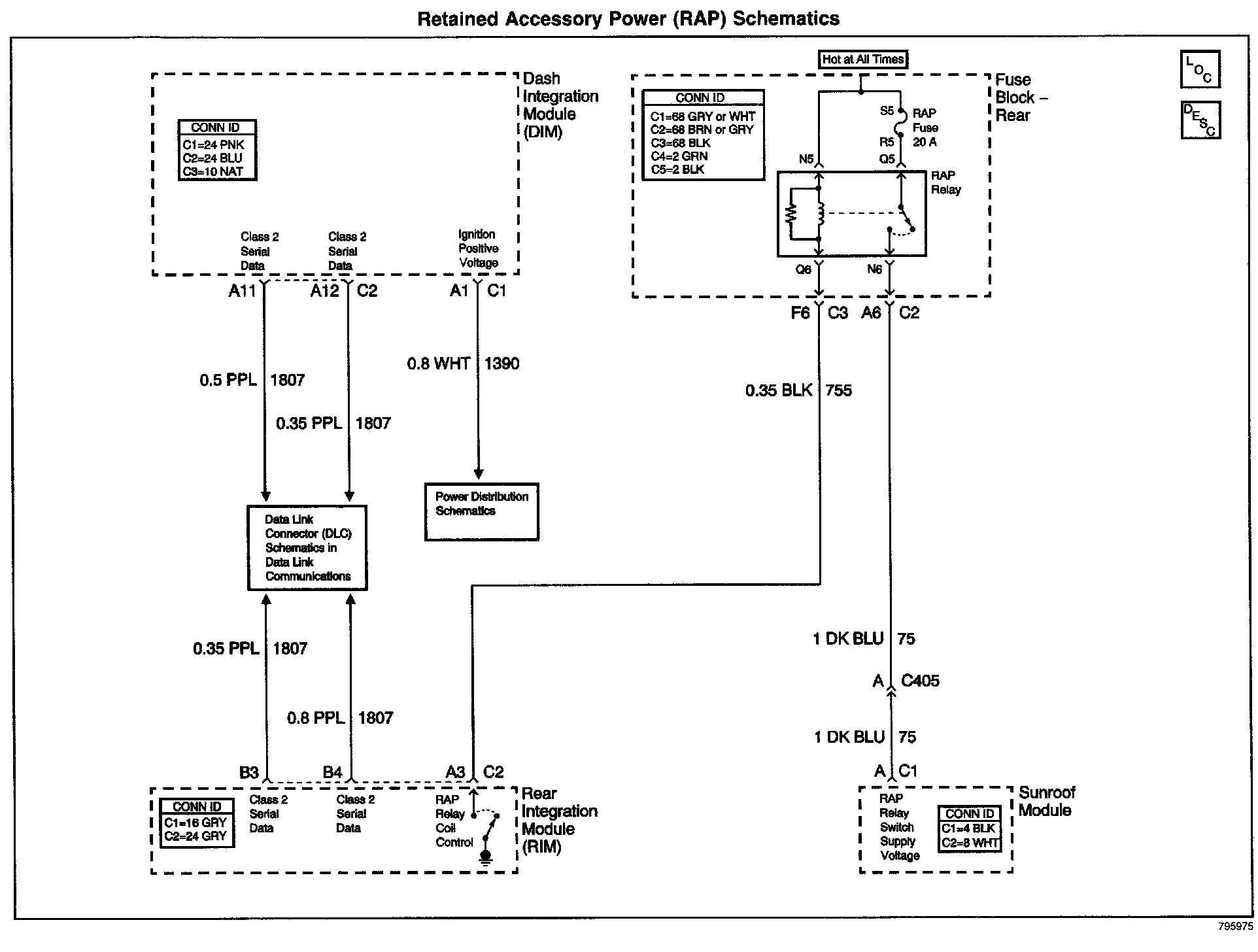
Accessory Delay Module
Accessory Delay Module
Retained Accessory Power (RAP) Schematics: