Curiosii for ever!
: Car repair manuals for everyone.
Home
>>
Cadillac
>>
2002
>>
Seville STS V8-4.6L VIN 9
>>
Repair and Diagnosis
>>
Diagrams
>>
Components
>>
Modules
>>
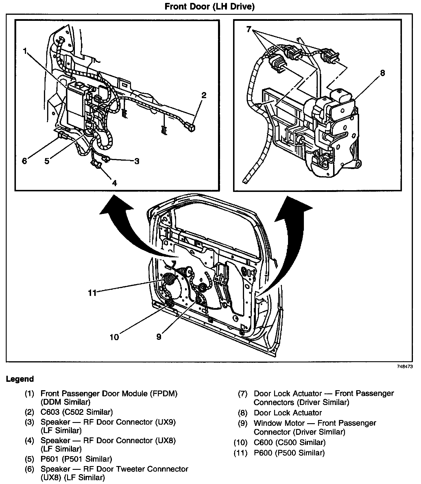
Front Passenger Door Module (FPDM) (DDM Similar)
Front Passenger Door Module (FPDM) (DDM Similar)
Locations View:
Locations View: