Curiosii for ever!: Car repair manuals for everyone.

Cruise Control Servo Cable: Service and Repair

CRUISE CONTROL CABLE REPLACEMENT

REMOVAL PROCEDURE




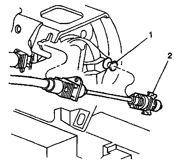
1. Remove the cruise control cable (2) at the throttle body ever (1) and at the throttle body bracket.

IMPORTANT: Note the cable routing and the retainer position for reference during installation.




2. Remove the cruise control cable (1) from the cruise control module connector (3).




3. Remove the cable (1) from the retainers (2).

INSTALLATION PROCEDURE




1. Install the cruise control cable (1) to the cruise control module.




2. Install the cruise cable to the throttle lever (1) and to the throttle body bracket.

IMPORTANT: The cruise control cable does not require mechanical adjusting after the replacement The cruise control module internally adjusts the cable. Refer to Cruise Control Description and Operation for the complete operational details.




3. Install the cable (1) to the retainers (2).