Curiosii for ever!: Car repair manuals for everyone.

Front Subframe: Service and Repair



Frame Replacement - Front


Tools Required
* J 39580 Engine Support Table
* J 28467-A Engine Support Fixture



Removal Procedure

1. Install the J 28467-A in order to support the engine. Refer to Engine Support Fixture.
2. Raise and support the vehicle. Refer to Lifting and Jacking the Vehicle.
3. Remove the front tires and wheels. Refer to Tire and Wheel Removal and Installation.
4. Remove the stabilizer shaft. Refer to Stabilizer Shaft Replacement.




5. Remove the bolts retaining the steering gear to the engine frame.
6. Remove the ball joints from the steering knuckle. Refer to Lower Control Arm Replacement.
7. Remove the front air deflector. Refer to Air Deflector Replacement - Front (Service and Repair) in Body Front End.
8. Remove the brake pressure modulator valve. Refer to Brake Pressure Modulator Valve (BPMV) Replacement.




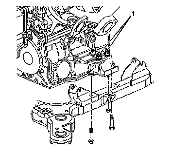
9. Disconnect the road sensing suspension links (1) from the lower control arm ball studs.
10. Remove the A.I.R. Pump. Refer to Secondary Air Injection (AIR) Pump Replacement.




11. -->
Remove the brackets (2) retaining the power steering line (1) at the frame.
12. Remove the retainer clips (3) retaining the power steering line (4) along the left side of the engine frame.
13. Using mechanics wire, retain the steering gear to the body.




14. Lower vehicle until engine frame rests on suitable jack stands or J 39580.




15. Remove the fastener retaining the front engine mount to the engine frame.




16. Remove the fasteners retaining the rear transaxle mount (1) to the engine frame.




17. Remove the engine frame insulator bolts (3) retaining the engine frame (2) to the vehicle.
18. Raise vehicle away from engine frame.




19. Separate the engine frame insulators from the engine frame in the following order:

1. Remove the bolts (2) from the engine frame (1).
2. Remove the lower insulator retainer (3) from the lower insulator (4).
3. Remove the lower insulator (4) from the engine frame (1).
4. Remove the retainer (7) and the upper spacer (6) from the upper insulator (5).
Remove the upper insulator (5) from the engine frame (1).

20. Remove the control arms. Refer to Lower Control Arm Replacement.



Installation Procedure

1. Install the control arms. Refer to Lower Control Arm Replacement.




2. Assemble the engine frame insulators to the engine frame in the following order:

1. Install the upper insulator (5) into the engine frame (1).
2. Install the retainer (7) and the upper spacer (6) onto the upper insulator (5).
3. Install the lower insulator (4) into the engine frame (1).
4. Install the lower insulator retainer (3) onto the lower insulator (4).
5. Install the bolts (2) into the engine frame (1).

3. Lower the vehicle to the engine frame.




4. Using dowel pins in the alignment holes (1), align the engine frame (2) with the vehicle.

Notice: Refer to Fastener Notice in Cautions and Notices.

5. Install the engine frame insulator retainer bolts (3) in order to retain the engine frame (2) to the vehicle.

Tighten the retainers to 191 N.m (141 lb ft).





6. Raise the vehicle away from the jack stands supporting the engine frame or J 39580.




7. Install the fasteners in order to retain the rear transaxle mount (1) to the bracket.

Tighten the retainers to 50 N.m (37 lb ft).





8. Install the fastener in order to retain the front engine mount to the engine frame.

Tighten the fastener to 41 N.m (30 lb ft).





9. Install the fasteners in order to retain the steering gear to the engine frame.

Tighten the retainer bolt to 120 N.m (89 lb ft).





10. Install the bracket (2) to retain the power steering line (1) at the engine frame.
11. Install the retainer clips (3) retaining power steering line (4) along engine frame rail.
12. Install the A.I.R. Pump to the vehicle. Refer to Secondary Air Injection (AIR) Pump Replacement.
13. Install the brake pressure modulator valve. Refer to Brake Pressure Modulator Valve (BPMV) Replacement.




14. Install the real time dampening sensor links (1) to the lower control arm ball studs.
15. Install the front air deflector. Refer to Air Deflector Replacement - Front (Service and Repair) in Body Front End.
16. Install the ball joints to the steering knuckle. Refer to Lower Control Arm Replacement.
17. Install the front tires and wheels. Refer to Tire and Wheel Removal and Installation.
18. Install the stabilizer shaft. Refer to Stabilizer Shaft Replacement.
19. Lower the vehicle.
20. Remove the engine support fixture. Refer to Engine Support Fixture.