Curiosii for ever!
: Car repair manuals for everyone.
Home
>>
Cadillac
>>
2002
>>
Seville SLS V8-4.6L VIN Y
>>
Repair and Diagnosis
>>
Diagrams
>>
Electrical Diagrams
>>
Powertrain Management
>>
System Diagram
>>
Engine Controls
>>
Ignition Controls
>>
Electronic Ignition Controls
Electronic Ignition Controls
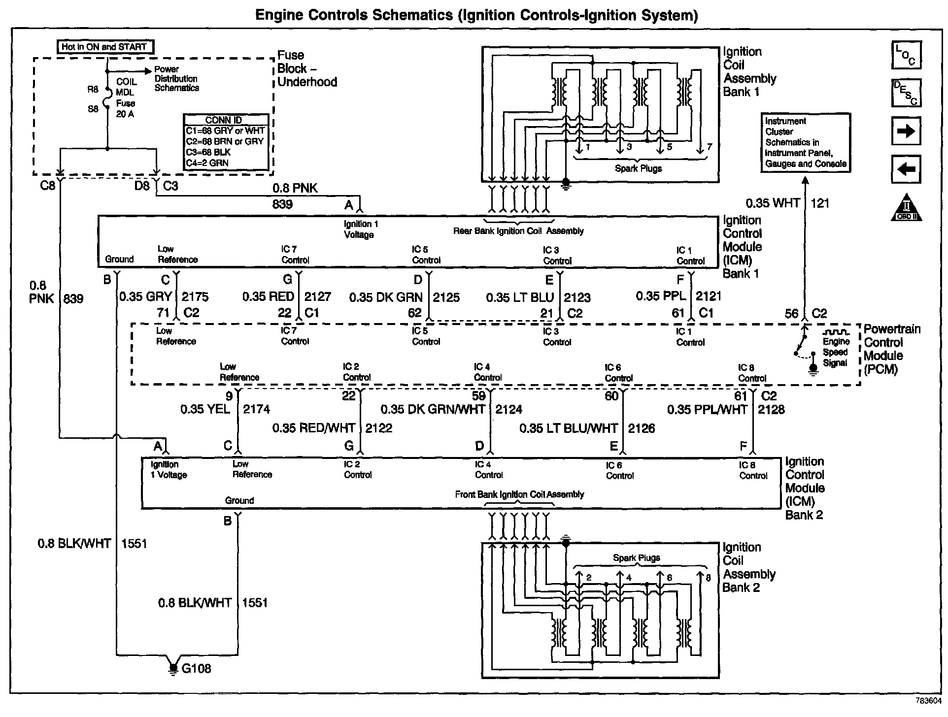
Engine Controls Schematics: Ignition Controls - Ignition System: