Curiosii for ever!: Car repair manuals for everyone.

Keyless Entry Receiver: Service and Repair

REMOTE CONTROL DOOR LOCK RECEIVER REPLACEMENT

REMOVAL PROCEDURE




1. Remove the rear storage compartment trim.
2. Push on retainer at rear edge of bracket and slide towards the driver's side.
3. Disconnect the electrical connectors from the modules on the bracket.
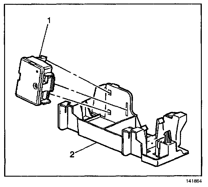
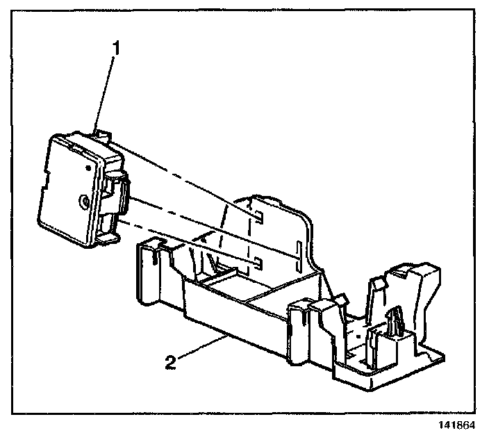
4. Remove the remote control door lock receiver (1) from the bracket (2).

INSTALLATION PROCEDURE




1. Install the remote control door lock receiver (1) to the bracket (2).
2. Connect the electrical connectors.
3. Install bracket to rear shelf.
4. Install rear storage compartment trim.
5. Program the transmitters to the receiver. Programming and Relearning