Air Bag Control Module: Service and Repair
INFLATABLE RESTRAINT SENSING AND DIAGNOSTIC MODULE REPLACEMENTREMOVAL PROCEDURE
CAUTION:
^ Be careful when you handle a sensing and diagnostic module (SDM). Do not strike or jolt the SDM. Before applying power to the SDM:
^ Remove any dirt, grease, etc. from the mounting surface
^ Position the SDM horizontally on the mounting surface
^ Point the arrow on the SDM toward the front of the vehicle
^ Tighten all of the SDM fasteners and SDM bracket fasteners to the specified torque value
Failure to follow the correct procedure could cause air bag deployment, personal injury, or unnecessary SIR system repairs.
^ If any water enters the vehicle's interior up to the level of the carpet or higher and soaks the carpet, the sensing and diagnostic module (SDM) and the SDM harness connector may need to be replaced. The SDM could be activated when powered, which could cause deployment of the air bag(s) and result in personal injury. Before attempting these procedures, the SIR system must be disabled. Refer to Air Bag(s) Arming and Disarming.
With the ignition OFF, inspect the SDM mounting area, including the carpet. If any significant soaking or evidence of significant soaking is detected, you must perform the following tasks:
1. Remove all water.
2. Repair the water damage.
3. Replace the SDM harness connector.
4. Replace the SDM.
Failure to follow these tasks could result In possible air bag deployment, personal injury, or otherwise unneeded SIR system repairs.
1. Disable the SIR system. Refer to Air Bag(s) Arming and Disarming.
2. Remove the driver seat.
3. Remove the LF/driver side sill plate.
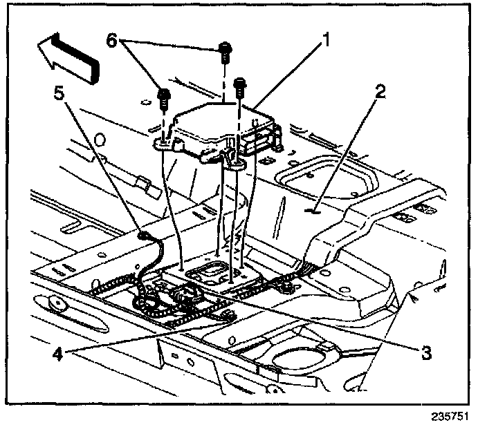
4. Lift up the carpet and insulation in order to access the inflatable restraint sensing and diagnostic module (SDM).
5. Remove the Connector Position Assurance (CPA) (4) from the SDM harness connector (3).
6. Disconnect the SDM harness connector (3) from the SDM (1).
7. Remove the SDM mounting fasteners (6).
8. Remove the SDM (1) from the floor sheetmetal (2).
IMPORTANT: The following repair procedures should only be used in the event that the Inflatable Restraint Sensing And Diagnostic Module (SDM) mounting studs and/or fasteners are damaged to the extent that the SDM can no longer be properly mounted.
9. Utilize the following procedures if the SDM mounting fasteners or the SDM attachments are damaged:
^ If the SDM mounting bracket is broken loose from the floor sheetmetal at the weld, migweld the bracket using the puddle weld method the spots that have broken loose. Always weld the bracket in the same spots as the original welds.
NOTE: Refer to Fastener Notice in Service Precautions.
^ If an SDM attachment nut is missing or broken, slip a loose nut (P/N 11515741) under the SDM bracket. While you hold the nut in place, install the bolt (P/N 11515925).
Tighten
Tighten fasteners to 9 N.m (80 lb in).
^ If the ground wire nut is missing, Drill the 8 mm (0.315 in) hole in the bracket to 12 mm (0.472 in). Tack weld a loose weld nut (P/N 20530601) to the bracket in place of the missing nut. Fasten the ground wire using the original bolt (P/N 3576880).
Tighten
Tighten fasteners to 6 N.m (54 lb in).
^ If the SDM attachment nut or ground nut is stripped, drill a 6.5 mm (0.256 in) hole through the weld nut. Use a new 7 mm bolt (P/N 10267482) in order to fasten the SDM or the ground wire.
Tighten
Tighten fasteners to 16 N.m (12 lb ft).
^ If the SDM attachment bolt or ground bolt is broken, use a tap, bolt remover or drill in order to remove the broken bolt. Drill a 6.5 mm (0.256 in) hole through the weld nut. Use a new 7 mm bolt (P/N 10267482) in order to fasten the SDM or the ground wire.
Tighten
Tighten fasteners to 16 N.m (12 lb ft).
INSTALLATION PROCEDURE
1. Install the SDM (1) to the floor sheetmetal (2).
NOTE: Refer to Fastener Notice in Service Precautions.
2. Install the SDM mounting fasteners (6).
Tighten
Tighten fasteners to 9 N.m (80 lb in).
3. Install the SDM harness connector (3) to the SDM (1).
4. Install the Connector Position Assurance (CPA) (4) to the SDM harness (3) connector.
5. Install the LF/driver side sill plate.
6. Install the driver seat.
7. Enable the SIR system. Refer to Air Bag(s) Arming and Disarming.