Curiosii for ever!: Car repair manuals for everyone.

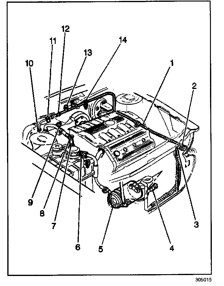
Refrigerant Low Temperature Sensor Replacement

REMOVAL PROCEDURE




1. Disconnect the sensor electrical connector.
2. Remove the sensor (9) from the accumulator line.

INSTALLATION PROCEDURE




1. Install the low-temperature sensor (9) to the accumulator line.
2. Connect the electrical connector to the sensor (9).