Curiosii for ever!: Car repair manuals for everyone.

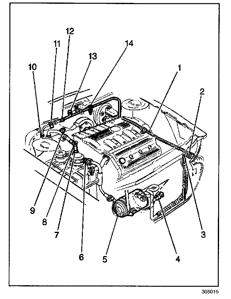
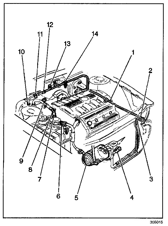
Refrigerant High Temperature Sensor Replacement

REMOVAL PROCEDURE




1. Disconnect the sensor electrical connector.
2. Remove the sensor (14) from the line.

INSTALLATION PROCEDURE




1. Install the low-pressure sensor (14) to the line.
2. Connect the electrical connector to the sensor (14).