Curiosii for ever!: Car repair manuals for everyone.

Control Module HVAC: Service and Repair

REMOVAL PROCEDURE

CAUTION: Refer to Battery Disconnect Caution in Service Precautions.




1. Disconnect the negative battery cable.
2. Remove the right insulator panel.
3. Remove the storage compartment.
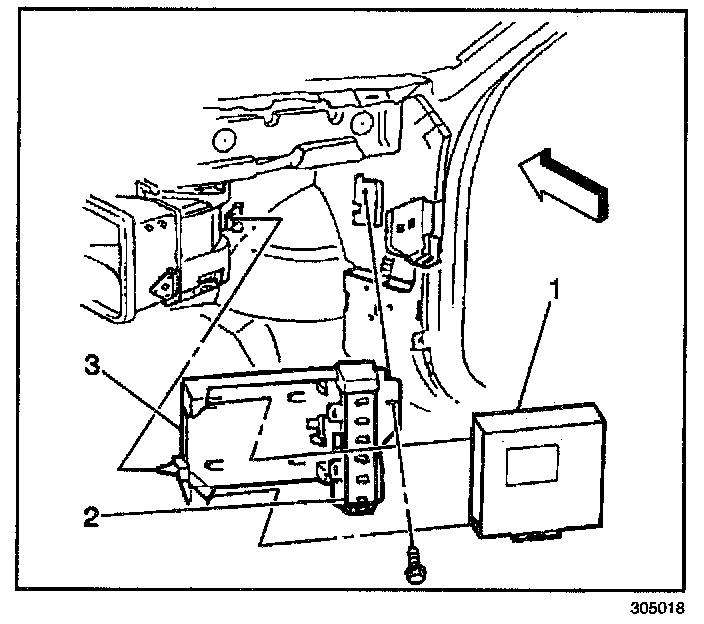
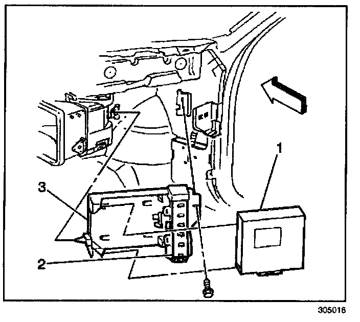
4. Disconnect the vacuum and electrical connectors from the processor (1).




5. Remove the processor (1).

INSTALLATION PROCEDURE




1. Install the processor (1).




2. Connect the vacuum and electrical connectors to the processor (1).
3. Install the storage compartment.
4. Install the right insulator panel.
5. Connect the negative battery cable.
6. Recalibrate the actuators.