Curiosii for ever!
: Car repair manuals for everyone.
Home
>>
Cadillac
>>
2002
>>
Eldorado V8-4.6L VIN Y
>>
Repair and Diagnosis
>>
Diagrams
>>
Exploded Views
>>
Steering Column
Steering Column
Steering Column
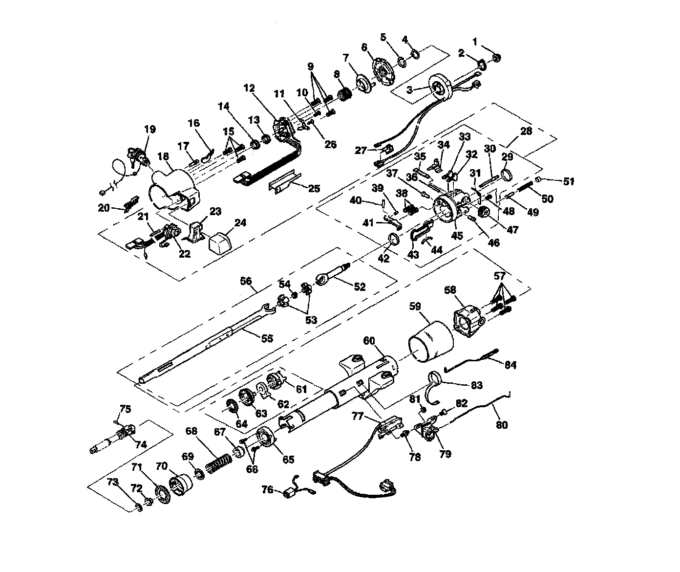
Disassembled View (Floor Shift) Tilt, Floor Shift Steering Column
Part 1 of 3
Part 2 of 3
Part 3 of 3