Cruise Control Module: Service and Repair
REMOVAL PROCEDURECAUTION: Do not use the cruise control on slippery roads, steeply graded roads, or in heavy traffic of heavy or varying volume. Failure to follow these CAUTIONS could possibly cause you to loose control of the vehicle and result in damage to the vehicle and personal injury.
1. Disconnect the cruise control cable from the following locations.
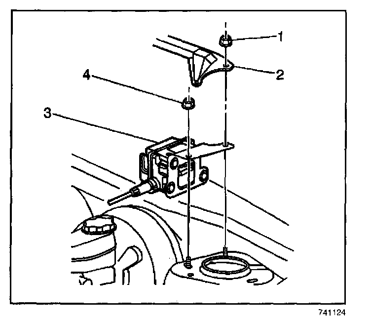
2. Disconnect the electrical connector from the cruise control module assembly (1).
3. Remove the cross car brace (2).
4. Remove the nut (4) securing the cruise control mounting bracket to the left strut tower.
5. Remove the cruise control module assembly (3).
6. Remove the fasteners (3) retaining the cruise control module (1) to the mounting bracket (2).
7. Remove the cruise control module from the mounting bracket.
INSTALLATION PROCEDURE
1. Install the cruise control module (1) to the mounting bracket (2).
NOTE: Refer to Fastener Notice in Service Precautions.
2. Install the fasteners (3) to the cruise control module.
Tighten
Tighten the fasteners to 7.5 N.m (66 lb in).
3. Install the cruise control module assembly (3) on the upper left strut tower.
4. Install the nut (4) to the stud.
5. Install the cross car brace (2).
6. Connect the electrical connector to the cruise control module assembly (1).
IMPORTANT: The cruise control cable does not require mechanical adjusting after the replacement. The cruise control module internally adjusts the cable. Refer to Cruise Control Description and Operation for the complete operational details.
7. Connect the cruise control cable to the following locations.