Curiosii for ever!
: Car repair manuals for everyone.
Home
>>
Cadillac
>>
2002
>>
DeVille V8-4.6L VIN Y
>>
Repair and Diagnosis
>>
Heating and Air Conditioning
>>
Control Module HVAC
>>
Locations
>>
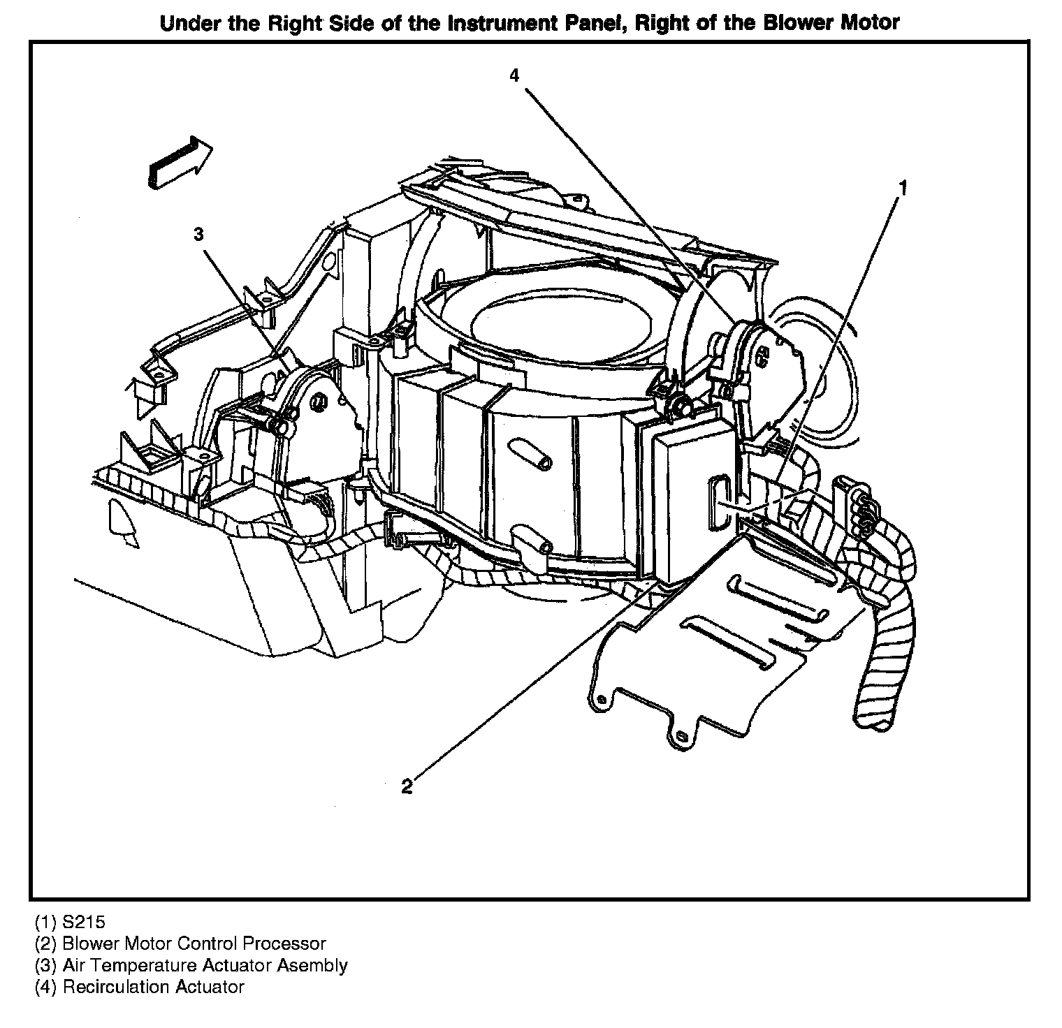
Blower Motor Control Processor
Blower Motor Control Processor
Locations View: