Curiosii for ever!
: Car repair manuals for everyone.
Home
>>
Cadillac
>>
2002
>>
DeVille V8-4.6L VIN Y
>>
Repair and Diagnosis
>>
Diagrams
>>
Electrical Diagrams
>>
Body Control Systems
>>
Dash Integration Module (DIM)
>>
Ignition Switch Inputs
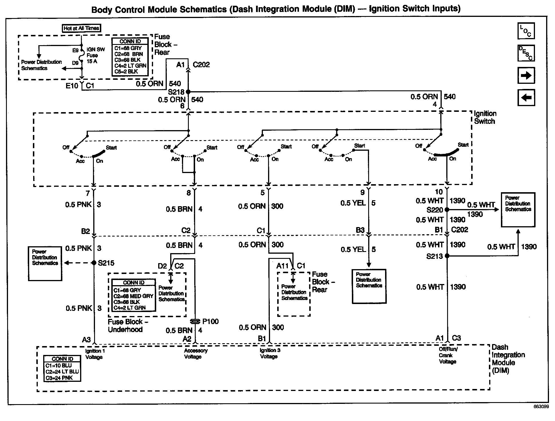
Ignition Switch Inputs
Body Control Module Schematics: Dash Integration Module (DIM) - Ignition Switch Inputs: