Curiosii for ever!
: Car repair manuals for everyone.
Home
>>
Cadillac
>>
2001
>>
Seville STS V8-4.6L VIN 9
>>
Repair and Diagnosis
>>
Locations
>>
Component Locations
>>
Modules
>>
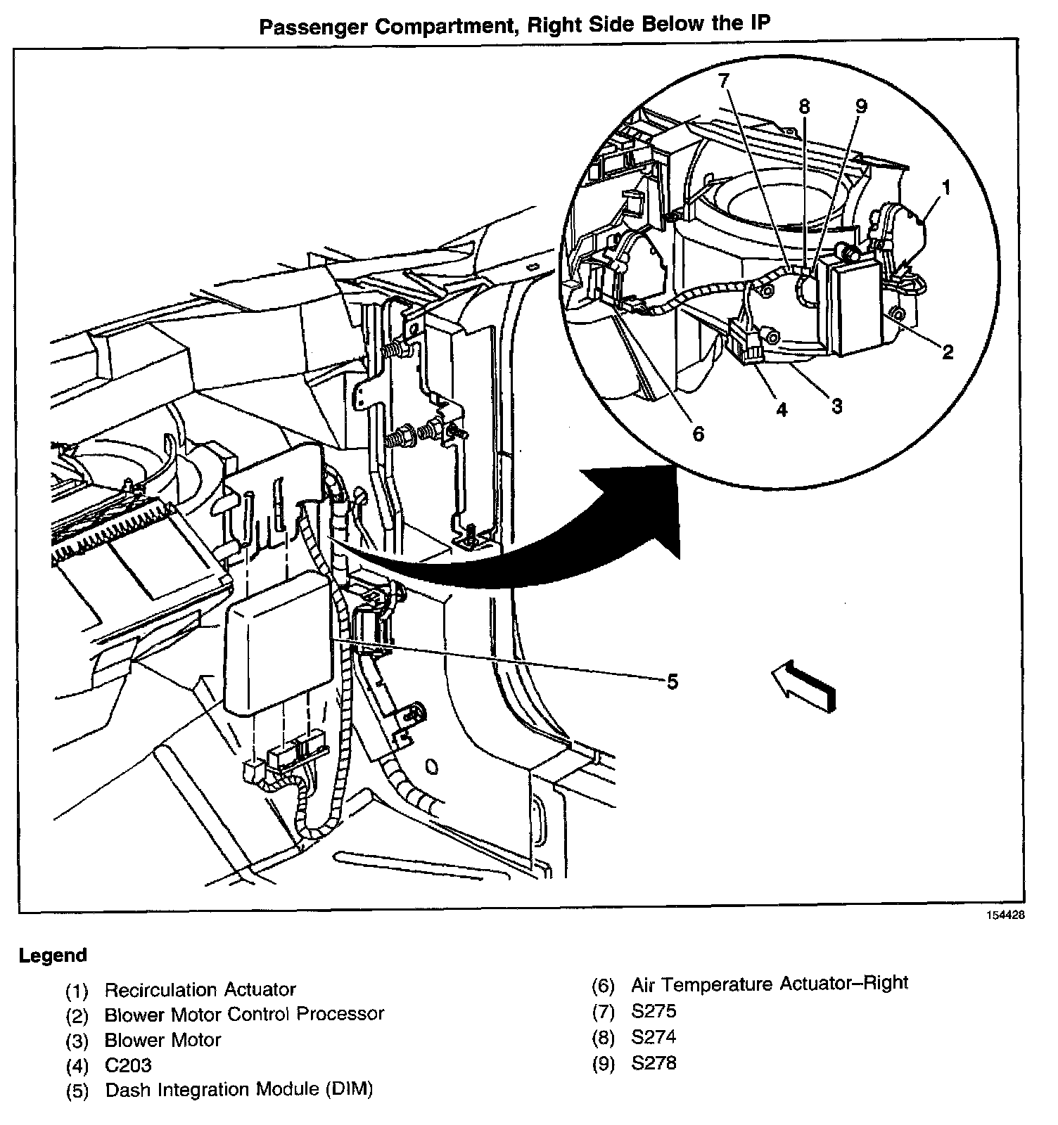
Dash Integration Module (DIM)
Dash Integration Module (DIM)
Locations View:
Right side of the instrument panel, near the blower motor