Curiosii for ever!
: Car repair manuals for everyone.
Home
>>
Cadillac
>>
2001
>>
Seville STS V8-4.6L VIN 9
>>
Repair and Diagnosis
>>
Diagrams
>>
Electrical Diagrams
>>
Powertrain Management
>>
System Diagram
>>
Engine Controls
>>
Ignition Controls
>>
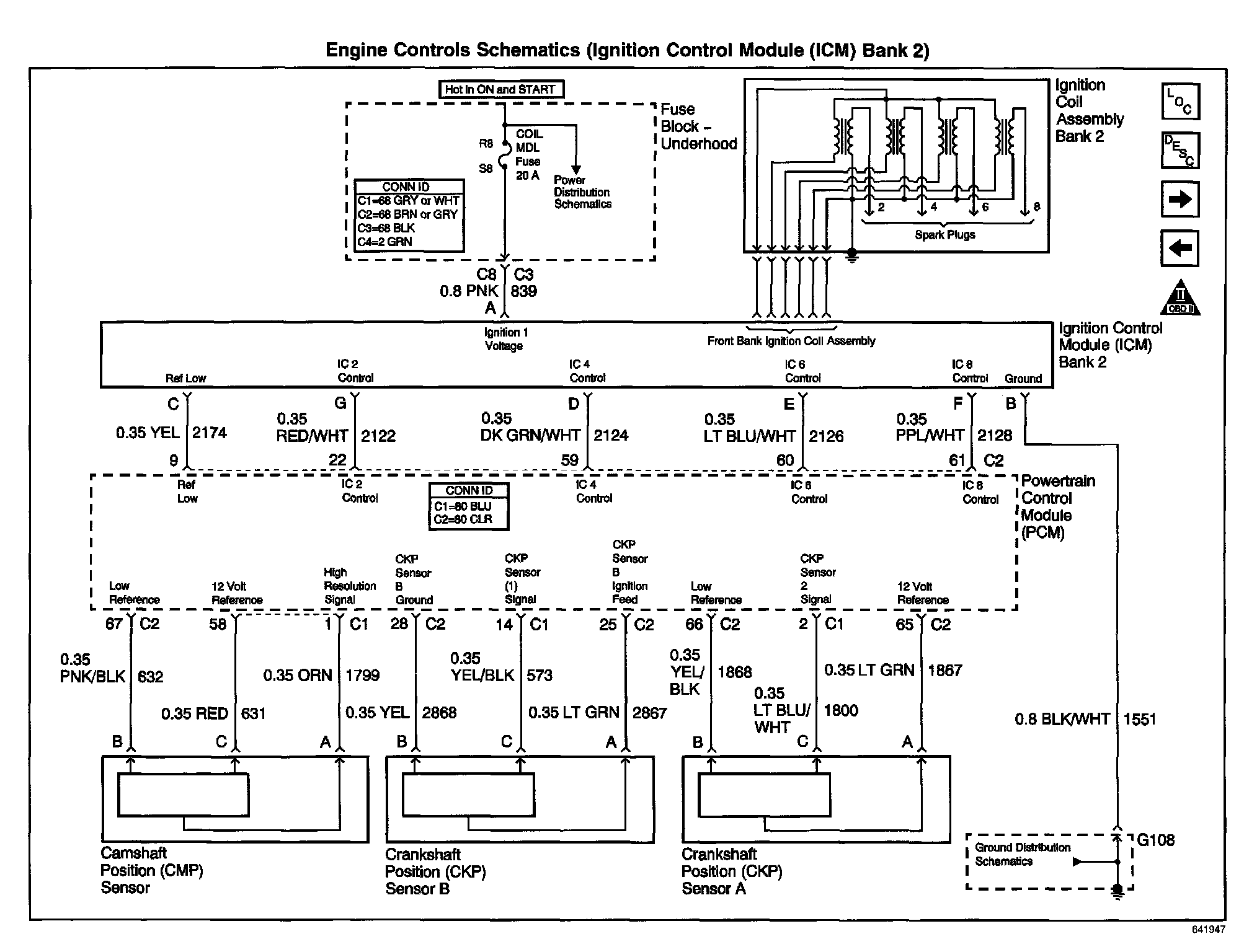
Ignition Control Module (ICM) Bank 2
Ignition Control Module (ICM) Bank 2
Engine Controls Schematics: Ignition Control Module (ICM) Bank 2: