Curiosii for ever!
: Car repair manuals for everyone.
Home
>>
Cadillac
>>
2001
>>
Seville STS V8-4.6L VIN 9
>>
Repair and Diagnosis
>>
Diagrams
>>
Components
>>
Modules
>>
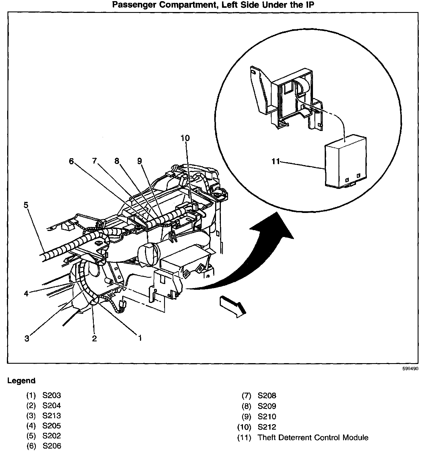
Theft Deterrent Control Module
Theft Deterrent Control Module
Locations View:
Left side of the instrument panel, right side of the steering column