Curiosii for ever!
: Car repair manuals for everyone.
Home
>>
Cadillac
>>
2001
>>
Seville SLS V8-4.6L VIN Y
>>
Repair and Diagnosis
>>
Powertrain Management
>>
Diagrams
>>
Electrical Diagrams
>>
Engine Controls
>>
Ignition Controls
>>
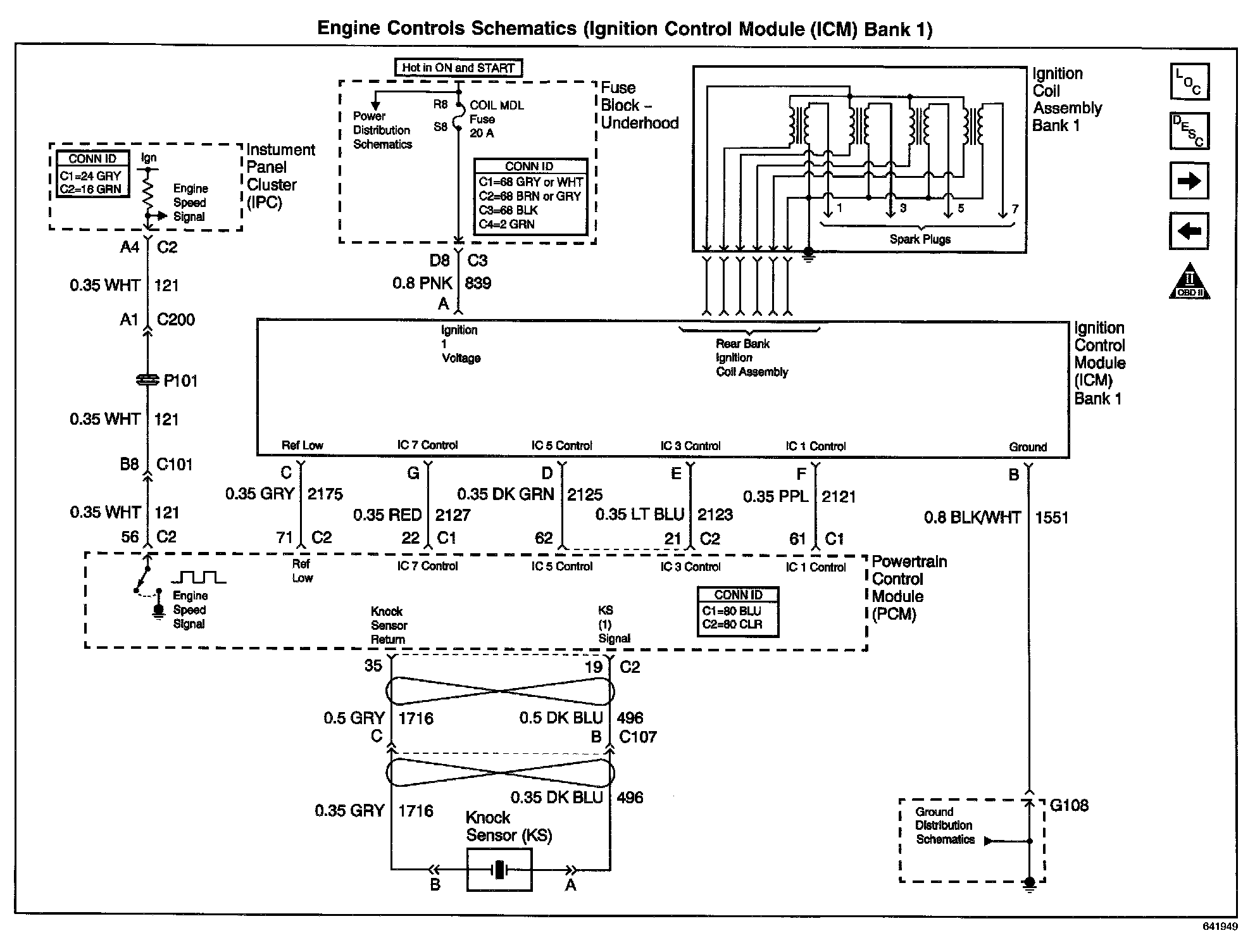
Ignition Control Module (ICM) Bank 1
Ignition Control Module (ICM) Bank 1
Engine Controls Schematics: Ignition Control Module (ICM) Bank 1: