Curiosii for ever!: Car repair manuals for everyone.

Control Module HVAC: Service and Repair

REMOVAL PROCEDURE

CAUTION: Refer to Battery Disconnect Caution in Service Precautions.




1. Disconnect the negative battery cable.
2. Remove the right insulator panel.
3. Remove the storage compartment.
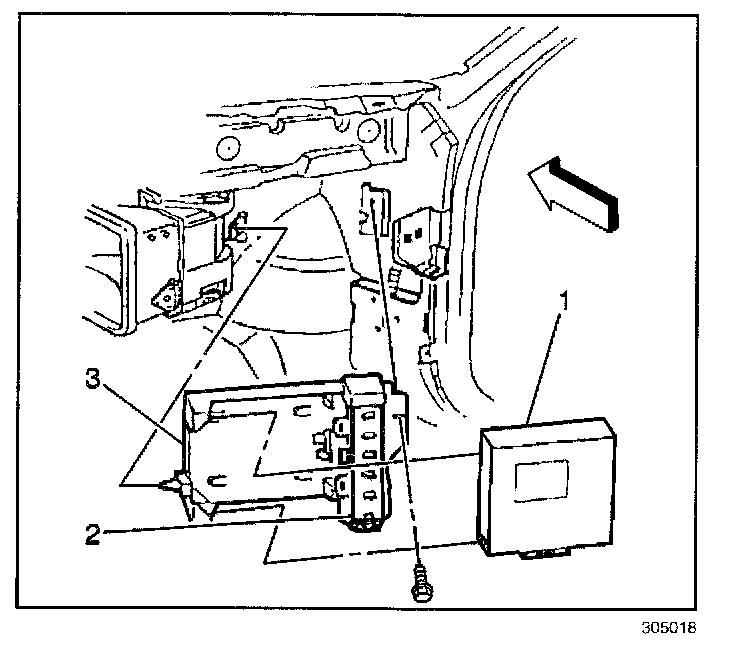
4. Disconnect the vacuum and electrical connectors from the processor (1).




5. Remove the processor (1) from the vehicle.

INSTALLATION PROCEDURE




1. Install the processor (1) to the vehicle.




2. Connect the vacuum and electrical connectors to the processor (1).
3. Install the right insulator panel.
4. Install the storage compartment.
6. Recalibrate the actuators. Refer to Re-Calibrating Actuators.