Curiosii for ever!: Car repair manuals for everyone.

Electronic Brake Control Module: Service and Repair

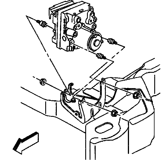
Electronic Brake Control Module (EBCM) Replacement

Removal Procedure

Important: The Electronic Brake Control Module (EBCM) cannot be repaired. If faulty it must be replaced as an assembly.





1. Turn OFF the ignition.
2. Raise the vehicle. Refer to Vehicle Lifting.
3. Remove the air deflection shield.
4. Remove the left front fascia extension.

Important: The area around the (EBCM) Brake Pressure Modulator Valve (BPMV) must be free from loose dirt to prevent contamination of disassembled ABS components.

5. Thoroughly clean all contaminants from around he EBCM/BPMV.
6. Remove the 3 EBCM/BPMV assembly bracket nuts.
7. Remove the 2 lower EBCM to BPMV bolts.
8. Lower the vehicle. Refer to Vehicle Lifting.

Notice: To prevent equipment damage, never connect or disconnect the wiring harness connection from the EBCM with the ignition switch in the ON position.

9. Disconnect the EBCM connector.
10. Remove the front insulator and insulator mounting bolt.
11. Remove the 2 upper EBCM to BPMV bolts.

Important: Do not pry the EBCM from the BPMV.





12. Separate the EBCM from the BPMV by gently pulling forward until separated. Be careful not to damage the seal.

Installation Procedure

Important: When replacing the EBCM, the Variable Effort Steering (VES) must be recalibrated.





1. Clean the seal and BPMV gasket surface with denatured alcohol.

Important: Do not tighten the bolts.

2. Install the EBCM to the BPMV with the 2 upper EBCM to BPMV bolts.
3. Raise the vehicle. Refer to Vehicle Lifting.

Notice: Refer to Fastener Notice in Service Precautions.





4. Install the 2 lower EBCM to BPMV bolts.
Tighten
Tighten the 2 lower EBCM to BPMV bolts to 5 Nm (40 inch lbs.).
5. Install the front insulator and insulator mounting bolt.
Tighten
Tighten the insulator mounting bolt to 14 Nm (10 ft. lbs.).
6. Install the 3 EBCM/BPMV assembly bracket nuts.
Tighten
Tighten the 3 EBCM/BPMV assembly bracket nuts to 10 Nm (89 inch lbs.).
7. Install the air deflector shield.
8. Install the left front fascia extension.
9. Lower the vehicle. Refer to Vehicle Lifting.
10. Tighten the 2 upper EBCM to BPMV bolts.
Tighten
Tighten the 2 upper EBCM to BPMV bolts to 5 Nm (40 inch lbs.).
11. Install the EBCM electrical connector. Make sure the EBCM connector tab is locked down.
12. Perform the ABS Diagnostic System Check. Refer to Diagnostic System Check - ABS.