Curiosii for ever!: Car repair manuals for everyone.

Control Assembly: Service and Repair

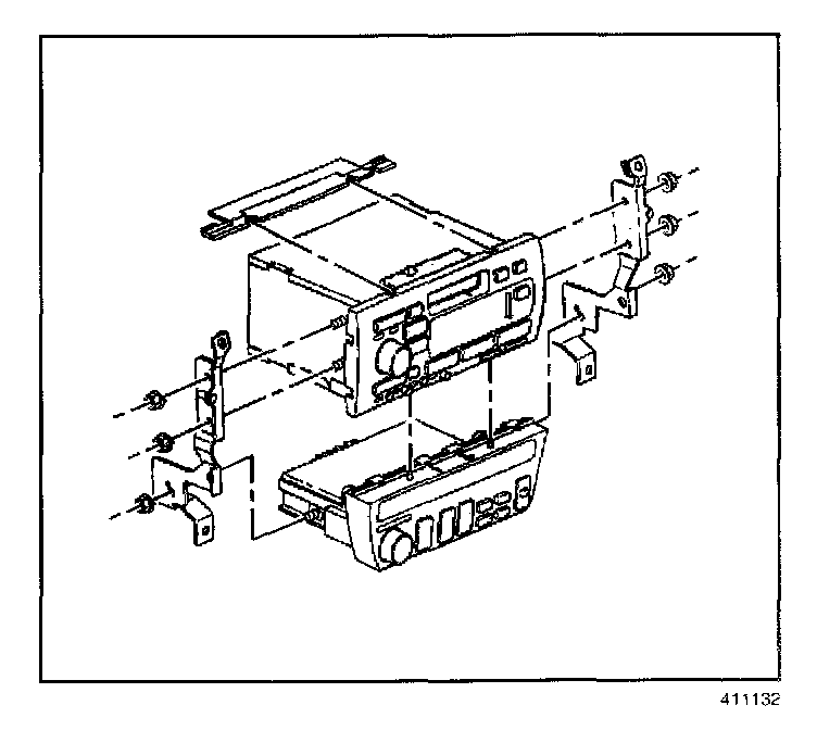
REMOVAL PROCEDURE




1. Remove the radio.
2. Remove the HVAC control module.
3. Remove the nuts from the bracket that connects the radio and HVAC control module.

INSTALLATION PROCEDURE




1. Install the HVAC control module to the radio brackets.

NOTE: Refer to Fastener Notice in Service Precautions.

2. Install the nuts.

Tighten
Tighten the nuts to 6 N.m (53 lb in).

3. Install the radio.
4. Install the HVAC control module.
5. Recalibrate the actuators. Refer to Re-Calibrating Actuators.