Curiosii for ever!: Car repair manuals for everyone.

Navigation Data Processor Replacement

NAVIGATION DATA PROCESSOR REPLACEMENT

REMOVAL PROCEDURE

IMPORTANT: The CD can not be removed from the navigation data processor after the power has been disconnected from the processor.




1. Turn ON the ignition, with the engine OFF.
2. Remove the CD from the navigation data processor.
3. Turn OFF the ignition.
4. Remove the upper trunk trim.
5. Remove the rear shelf trim panel.
6. Remove the rear shelf carrier.
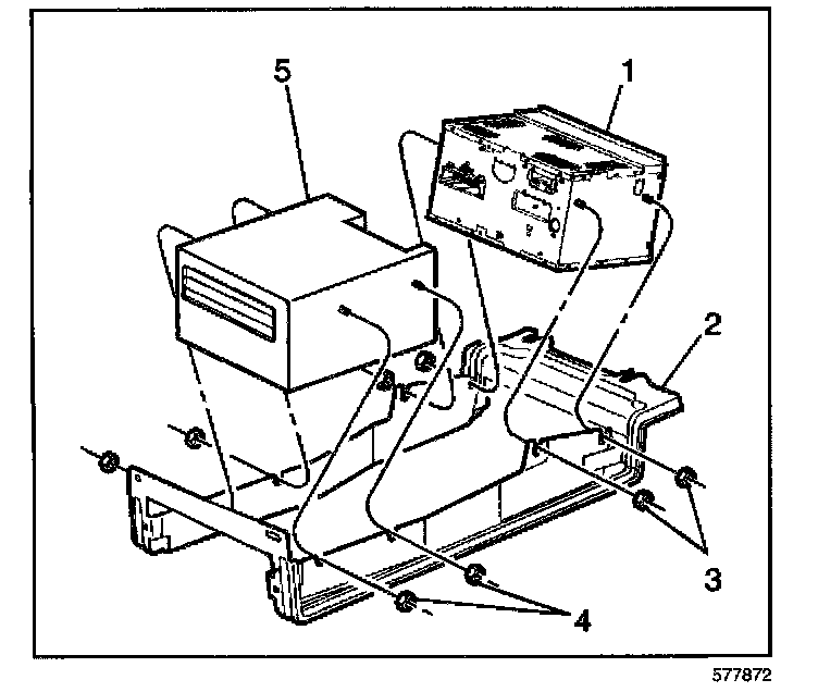
7. Disconnect the electrical connections (1, 4) from the navigation data processor (2) and from the radio receiver (3).




8. Remove the fasteners (1) retaining the navigation data processor / radio bracket to the rear shelf.
9. Remove the navigation data processor, the radio, and the bracket assembly from the vehicle.




10. Remove the fasteners (4) retaining the navigation data processor (5) to the navigation data processor / radio bracket (2).
11. Remove the navigation data processor (5) from the navigation data processor / radio bracket (2).

INSTALLATION PROCEDURE




1. Install the navigation data processor (5) to the navigation data processor / radio bracket (2).

NOTE: Refer to Fastener Notice in Service Precautions.

2. Install the fasteners (4).

Tighten
Tighten the fasteners to 5 N.m (44 lb in).




3. Install the navigation data processor and the bracket assembly.
4. Install the fasteners (1).

Tighten
Tighten the fasteners to 9 N.m (80 lb in).




5. Connect the navigation data processor (2), and the radio receiver (3) electrical connectors (1, 4).
6. Turn ON the ignition, with the engine OFF.
7. Reinstall the navigation CD.
8. Turn OFF the ignition.
9. Install the rear shelf carrier.
10. Install the rear shelf trim panel.
11. Install the upper trunk trim.