Curiosii for ever!
: Car repair manuals for everyone.
Home
>>
Cadillac
>>
2001
>>
Catera V6-3.0L VIN R
>>
Repair and Diagnosis
>>
Diagrams
>>
Components
>>
Modules
>>
Body Control Module (BCM)
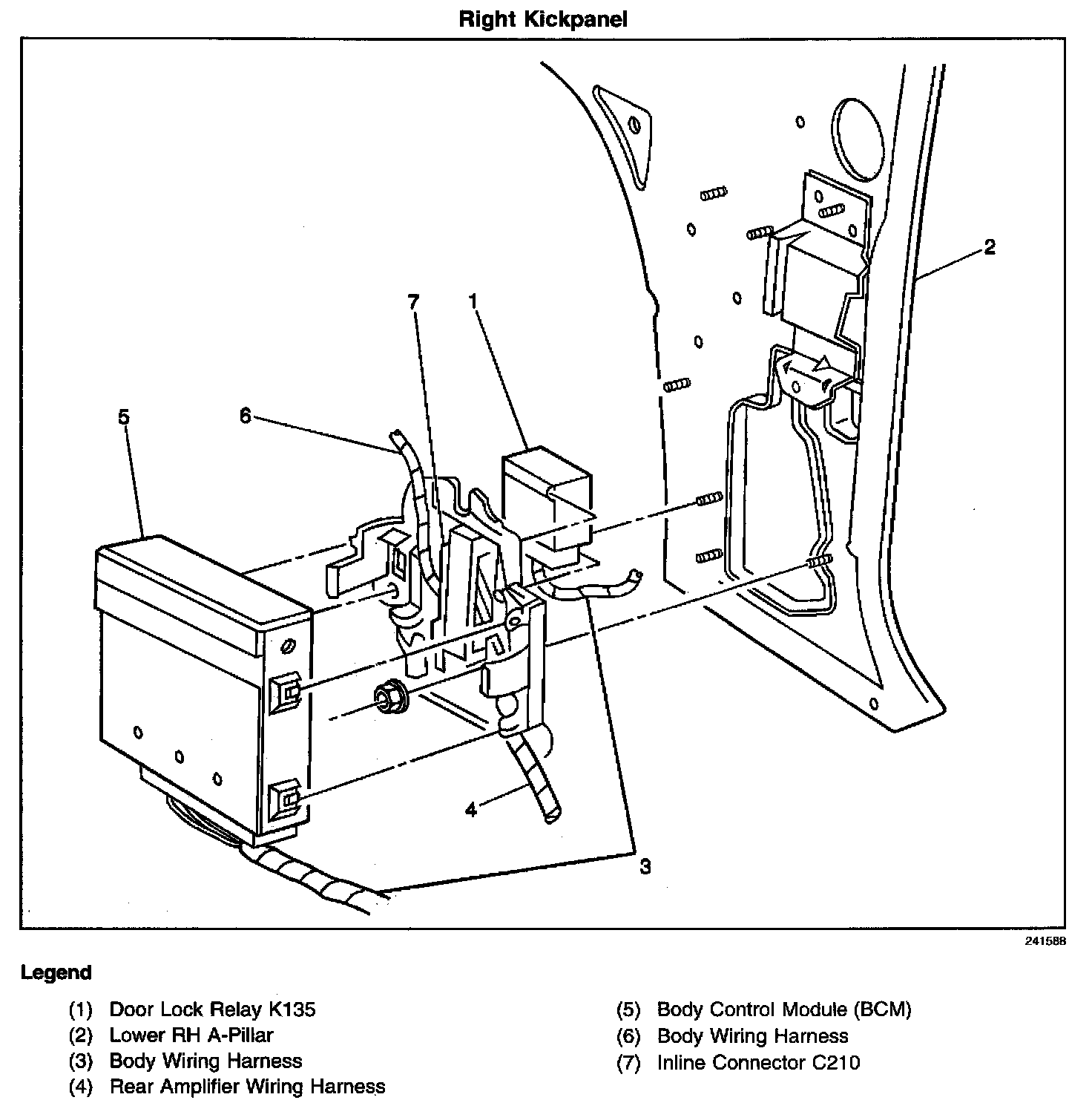
Body Control Module (BCM)
Locations View:
Mounted on the lower RH A-pillar, behind the trim panel