Curiosii for ever!: Car repair manuals for everyone.

Cruise Control Servo Cable: Service and Repair

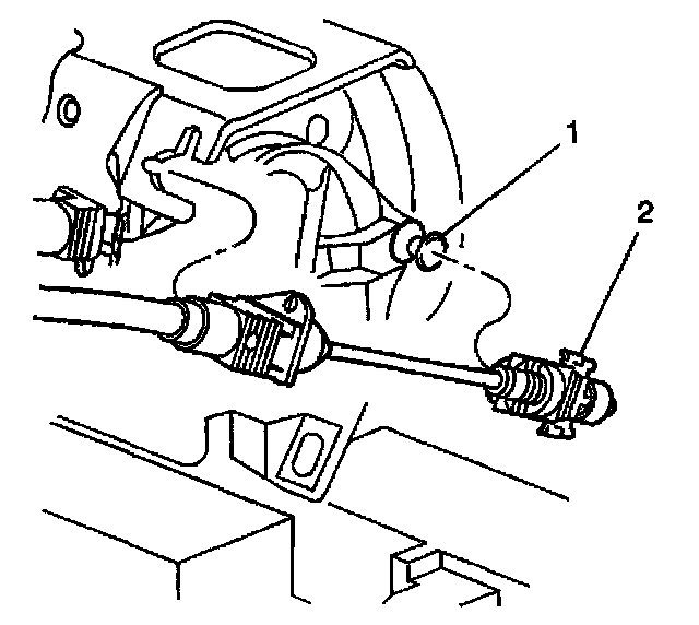
REMOVAL PROCEDURE




1. Remove the cruise control cable (2) at the throttle body lever (1) and at the throttle body bracket.

IMPORTANT: Note the cable routing and the retainer position for reference during installation.




2. Remove the cruise control cable (1) from the cruise control module connector (3).




3. Remove the cable (1) from the retainers (2).

INSTALLATION PROCEDURE




1. Install the cruise control cable (1) to the cruise control module.




2. Install the cruise cable to the throttle lever (1) and to the throttle body bracket.




3. Install the cable (1) to the retainers (2).
4. Adjust the cable. Refer to Cruise Control Cable Adjustment