Curiosii for ever!: Car repair manuals for everyone.

Engine Frame



Engine Frame

Removal Procedure

Tools Required

J 28467-A Universal Engine Support Fixture.





1. Install the J 28467-A to support the engine.
2. Raise and support the vehicle. Refer to Lifting and Jacking the Vehicle in General Information.
3. Remove the front tires and wheels. Refer to Tire and Wheel Removal and Installation in Tires and Wheels.
4. Remove the stabalizer shaft. Refer to Stabilizer Shaft Replacement in Front Suspensions.
5. Remove the bolts retaining the rack and pinion to the engine frame.
6. Remove the ball joints from the steering knuckle. Refer to Lower Control Arm Ball Joint Replacement in Front Suspensions.
7. Remove the front air deflector. Refer to Front Air Deflector Replacement (Service and Repair) in Body Front End.
8. Remove the brake pressure modulator valve. Refer to Brake Pressure Modulator Valve Replacement in ABS Brakes.
9. Disconnect the road sensing suspension links from the lower control arm ball studs.
10. Remove both A.I.R. Pump Assemblies. Refer to AIR Pump Replacement in Engine Controls.




11. Remove the rack and pinion heat shield retainer bolts (1) retaining rack and pinion heat shield (2) to the vehicle.




12. Remove the brackets (2) retaining the power steering line (1) at the frame.
13. Remove the retainer clips (3) retaining the poser steering line (4) along the left side of the engine frame.
14. Using mechanics wire, retain the rack and pinion to the body.




15. Lower vehicle until engine frame rests on suitable jack stands.




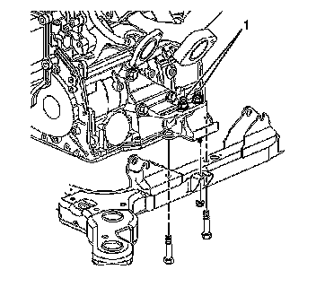
16. Remove the fastener retaining the front engine mount to the engine frame.




17. Remove the fasteners retaining the rear transaxle mount (1) to the engine frame.




18. Remove the engine frame insulator bolts (3) retaining the engine frame (2) to the vehicle.
19. Raise vehicle away from engine frame.




20. Separate the engine frame insulators from the engine frame in the following order:

1. Remove the bolts (2) from the engine frame (1).
2. Remove the lower insulator retainer (3) from the lower insulator (4).
3. Remove the lower insulator (4) from the engine frame (1).
4. Remove the retainer (7) and the upper spacer (6) from the upper insulator (50.
Remove the upper insulator (50 from the engine frame (1).

21. Remove the control arms. Refer to Lower Control Arm Replacement in Front Suspensions.



Installation Procedure

1. Install the control arms. Refer to Lower Control Arm Replacement in Front Suspensions.




2. Assemble the engine frame insulators to the engine frame in the following order:

1. Install the upper insulator (5) into the engine frame (1).
2. Install the retainer (7) and the upper spacer (6) onto the upper insulator (5).
3. Install the lower insulator (4) into the engine frame (1).
4. Install the lower insulator retainer (3) onto the lower insulator (4).
5. Install the bolts (2) into the engine frame (1).

3. Lower the vehicle onto the engine frame.




4. Using dowel pins in the alignment holes (1), align the engine frame (2) with the vehicle.

Notice: Refer to Fastener Notice in Cautions and Notices.

5. Install the engine frame insulator retainer bolts (3) in order to retain the engine frame (2) to the vehicle.

Tighten the retainers to 191 N.m (141 lb ft)





6. Raise the vehicle away from the jack stands supporting the engine frame.




7. Install the fasteners in order to retain the rear transaxle mount (1) to the bracket.

Tighten the retainers to 50 N.m (37 lb ft).





8. Install the fastener in order to retain the front engine mount to the engine frame.

Tighten the fastener to 41 N.m (30 lb ft).

9. Install the fasteners in order to retain the rack and pinion to the engine frame.

Tighten the retainer bolt to 120 N.m (89 lb ft).





10. Install the bracket (2) to retain the power steering line (1) at the engine frame.
11. Install the retainer clips (3) retaining power steering line (4) along engine frame rail.




12. Install rack and pinion heat shield (2) to the vehicle.
13. Install fasteners (1) in order to retain the rack and pinion heat shield (2) to the rack and pinion.

Tighten the retainers to 9 N.m (80 lb in).

14. Install both A.I.R. Pumps to the vehicle. Refer to AIR Pump Replacement in Engine Controls.
15. Install the brake pressure modulator valve. Refer to Brake Pressure Modulator Valve Replacement in ABS Brakes.
16. Install the real time dampening sensor links to the lower control arm ball studs.
17. Install the front air deflector. Refer to Front Air Deflector Replacement (Service and Repair) in Body Front End.
18. Install the ball joints to the steering knuckle. Refer to Lower Control Arm Replacement in Front Suspensions.
19. Install the front tires and wheels. Refer to Tire and Wheel Removal and Installation in Tires and Wheels.
20. Install the stabalizer shaft. Refer to Stabilizer Shaft Replacement in Front Suspensions.




21. Remove J 28467-A supporting the engine.
22. Lower the vehicle.