Curiosii for ever!: Car repair manuals for everyone.

Electronic Brake Control Module: Service and Repair

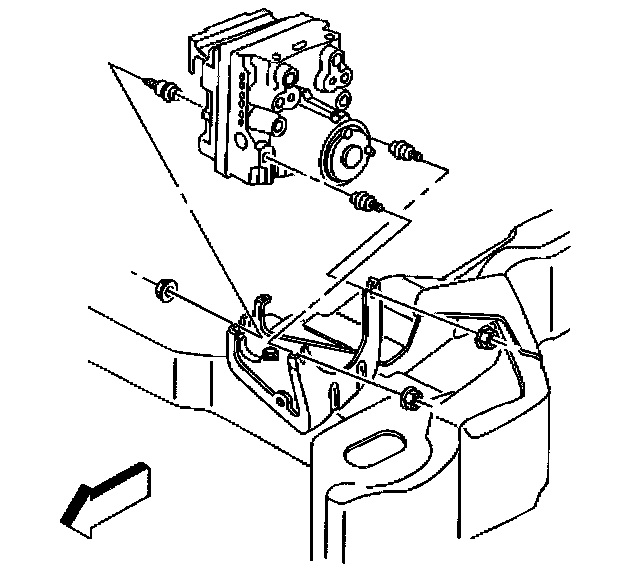
Removal Procedure

Important: The EBCM cannot be repaired. If faulty it must be replaced as an assembly.





1. Turn OFF the ignition.
2. Remove the air cleaner assembly. Refer to Air Cleaner Assembly Replacement in Powertrain Management.
3. Reposition the PCM to create access to the EBCM.
4. Raise the vehicle. Refer to Vehicle Lifting.
5. Remove the lower radiator splash shield. Refer to Splash Shield Replacement - Engine in Body and Frame.
6. Remove the left front wheel well splash shield. Refer to Wheelhouse Panel Replacement in Body and Frame.
7. Remove the 3 EBCM/BPMV assembly bracket nuts.
8. Remove the 2 lower EBCM to BPMV bolts.
9. Lower the vehicle. Refer to Vehicle Lifting.

Notice: To prevent equipment damage, never connect or disconnect the wiring harness connection from the EBCM with the ignition switch in the ON position.

10. Disconnect the EBCM connector.
11. Remove the front insulator and insulator mounting bolt.
12. Remove the 2 upper EBCM to BPMV bolts.

Important: Do not pry the EBCM from the BPMV.





13. Separate the EBCM from the BPMV by gently pulling forward until separated. Be careful not to damage the seal.

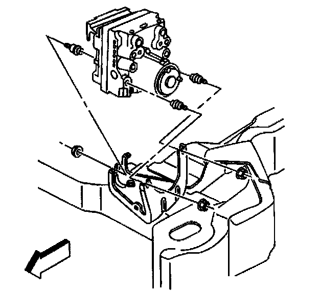
Installation Procedure

Important: When replacing the EBCM, the variable effort steering (VES) must be recalibrated. Refer to Variable Effort Steering Programming in Variable Effort Steering.





1. Clean the seal and BPMV gasket surface with alcohol.

Important: Do not tighten the bolts.

2. Install the EBCM to the BPMV with the 2 upper EBCM to BPMV bolts.
3. Raise the vehicle. Refer to Vehicle Lifting.

Notice: Refer to Fastener Notice in Service Precautions.





4. Install the 2 lower EBCM to BPMV bolts.
- Tighten the 2 lower EBCM to BPMV bolts to 5 Nm (40 inch lbs.).
5. Install the front insulator and insulator mounting bolt.
- Tighten the insulator mounting bolt to 14 Nm (to ft. lbs.).
6. Install the 3 EBCM/BPMV assembly bracket nuts.
- Tighten the 3 EBCM/BPMV assembly bracket nuts to 10 Nm (89 inch lbs.).
7. Install the lower radiator splash shield. Refer to Splash Shield Replacement - Engine in Body and Frame.
8. Install the left front wheel well splash shield. Refer to Wheelhouse Panel Replacement in Body and Frame.
9. Lower the vehicle. Refer to Vehicle Lifting.
10. Tighten the 2 upper EBCM to BPMV bolts.
- Tighten the 2 upper EBCM to BPMV bolts to 5 Nm (40 inch lbs.).
11. Install the EBCM electrical connector. Make sure the EBCM connector tab is locked down.
12. Reposition the PCM to the proper position.
13. Install the air cleaner assembly. Refer to Air Cleaner Assembly Replacement in Powertrain Management.
14. Perform the ABS Diagnostic System Check. Refer to A Diagnostic System Check - ABS.