Curiosii for ever!
: Car repair manuals for everyone.
Home
>>
Cadillac
>>
2000
>>
Eldorado V8-4.6L VIN Y
>>
Repair and Diagnosis
>>
Powertrain Management
>>
Diagrams
>>
Electrical Diagrams
>>
Engine Controls
>>
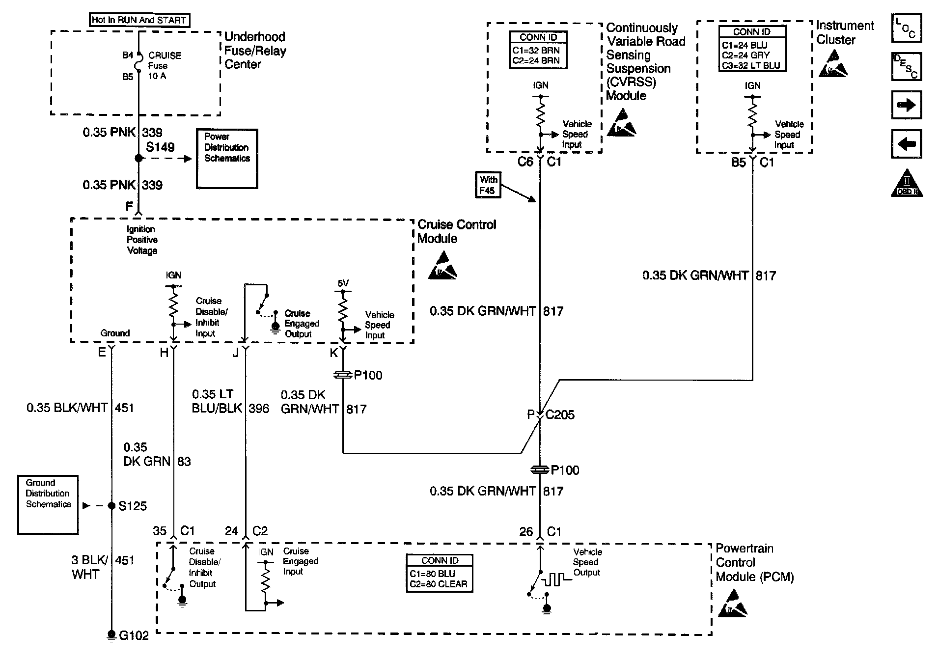
Vehicle Speed Output and Cruise Control Module
Vehicle Speed Output and Cruise Control Module
Engine Controls Schematics: Vehicle Speed Output and Cruise Control Module: