Curiosii for ever!
: Car repair manuals for everyone.
Home
>>
Cadillac
>>
2000
>>
Eldorado V8-4.6L VIN Y
>>
Repair and Diagnosis
>>
Diagrams
>>
Electrical Diagrams
>>
Powertrain Management
>>
System Diagram
>>
Engine Controls
>>
Ignition Controls
>>
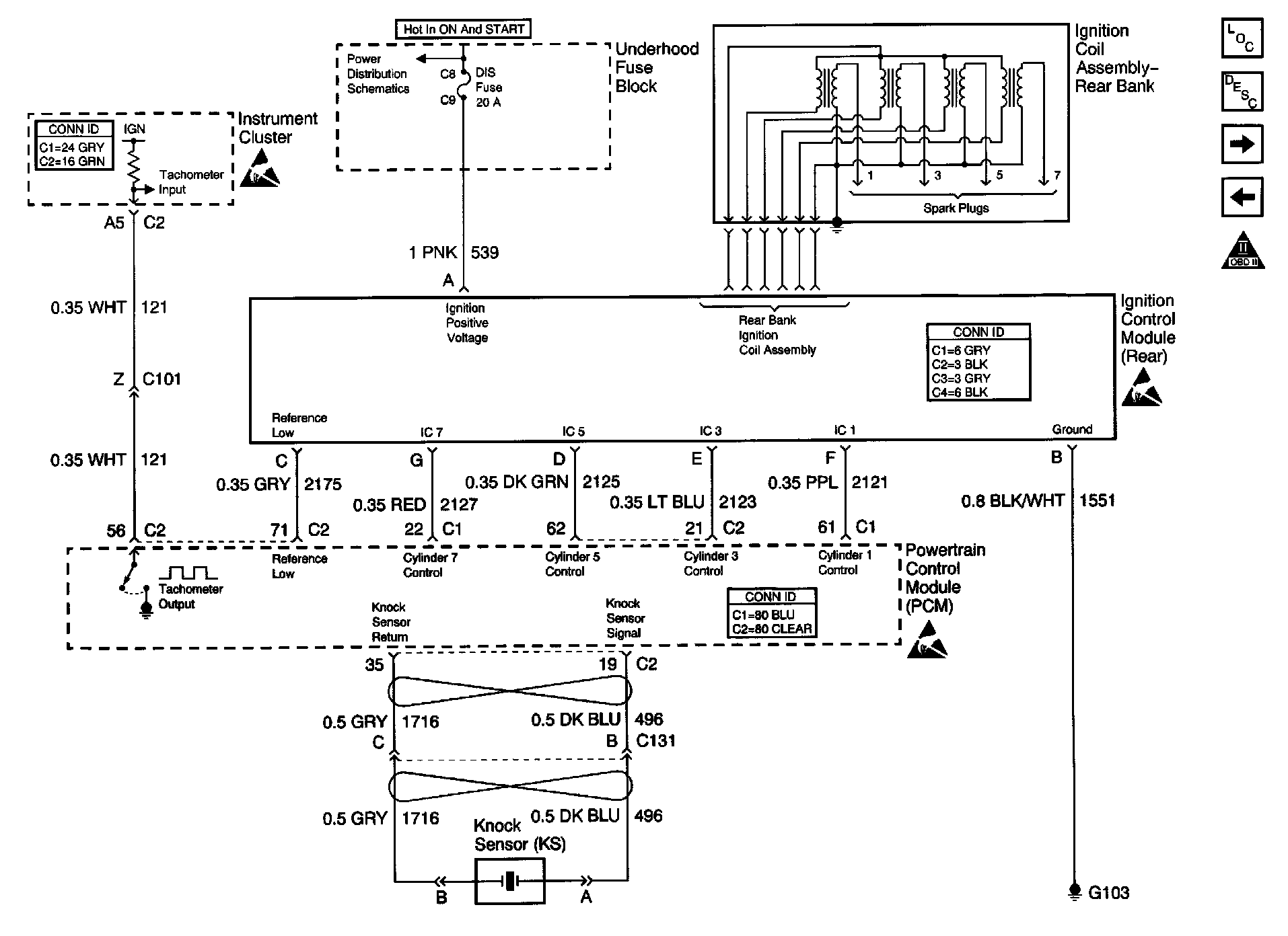
Ignition Control (IC) Module Rear Bank
Ignition Control (IC) Module Rear Bank
Engine Controls Schematics: Ignition Control Module - Rear Bank: