Curiosii for ever!
: Car repair manuals for everyone.
Home
>>
Cadillac
>>
2000
>>
Eldorado V8-4.6L VIN Y
>>
Repair and Diagnosis
>>
Diagrams
>>
Electrical Diagrams
>>
Cruise Control
>>
Cruise Control Module
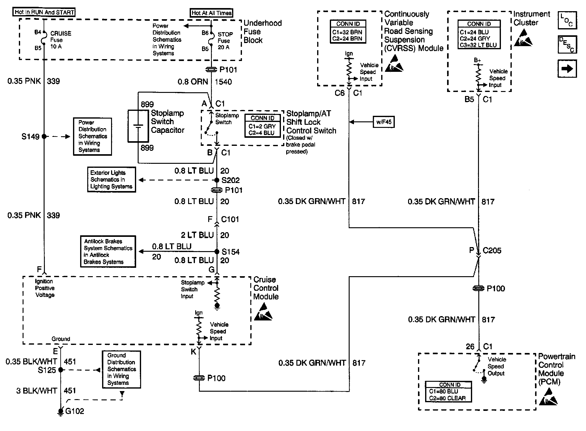
Cruise Control Module
Cruise Control Schematics: Cruise Control Module: