Curiosii for ever!: Car repair manuals for everyone.

Front Subframe: Service and Repair



Frame Replacement

Removal Procedure


Tools Required
* J 28467-A Universal Engine Support Fixture
* J 39580 Engine Support Table


1. Disconnect the negative battery cable. Refer to Battery Negative Cable Disconnection and Connection in Engine Electrical.




2. Install the J 28467-A in order to support the engine.




3. Ensure the engine support fixture (1,2) is stable on the strut towers.
4. Raise and support the vehicle. Refer to Lifting and Jacking the Vehicle in General Information.
5. Remove the front tires and wheels. Refer to Tire and Wheel Removal and Installation in Tires and Wheels.
6. Remove the lower control arms. Refer to Lower Control Arm Replacement in Front Suspension.
7. Remove the front air deflector. Refer to Front Air Deflector Replacement (Service and Repair) in Body Front End.
8. Remove the engine splash shield. Refer to Engine Splash Shield Replacement (Service and Repair) in Body Front End.




9. Remove the brake pressure modulator valve (BPMV). Refer to Brake Pressure Modulator Valve Replacement in ABS Brake Systems.




10. Remove the fasteners (1,2,3,4) and the horizontal fastener (5) retaining the rack and pinion (6) to the engine frame. Refer to Steering Gear Replacement in Power Steering Systems.




11. Remove the bracket bolt (1) and the retainer clip (2) securing the power steering gear outlet hose to the frame.




12. Remove the 4 fasteners retaining the positive battery cable to the front of the engine frame.
13. Disconnect the retainer securing the cable to the brake pressure modulator valve bracket.
14. Secure the battery cable away from the frame.
15. Disconnect the brake pipe line from the retainer clips on the engine frame.




16. Disconnect the engine electrical harness from the retainer clips and position away from the frame.




17. Lower the vehicle until the engine frame rests on theJ 39580 or on suitable jack stands.




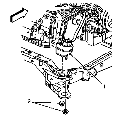
18. Remove the fasteners (2) retaining the front engine mount (1) to the engine frame. Refer to Engine Mount Replacement in Engine Mechanical 4.6L.




19. Remove the fasteners (2) retaining the left transaxle mount (1) to the engine frame. Refer to Transmission Mount Replacement (Left) Transmission Mount Replacement (Right) in Transmission/Transaxle.




20. Remove the fasteners (2) securing the rear transaxle mount (1) to the engine frame. Refer to Transmission Mount Replacement (Left) Transmission Mount Replacement (Right) in Transmission/Transaxle.




21. Remove the stabilizer links. Refer to Stabilizer Shaft Link Replacement in Suspension.




22. Remove the engine frame insulator fasteners (3) retaining the engine frame (2) to the vehicle (1).

Notice: Ensure that lowering the frame does not interfere with the bumper fascia or fascia damage may result.

23. Raise the vehicle from the supported engine frame (2).




24. Separate the engine frame insulators (2,3) from the engine frame (5). Refer to Frame Cushion or Insulator Replacement (Service and Repair) .
25. With the aid from an assistant, remove the frame from the J 39580 or the suitable jack stands.



Installation Procedure

1. With the aid from an assistant, position the new frame onto the J 39580 or suitable jack stands.

Important: Apply vehicle weight to the front suspension before tightening the lower control arm retaining bolts.


2. Install the lower control arms to the frame. Refer to Lower Control Arm Replacement in Suspension.




3. Assemble the engine frame insulators (2,3) to the engine frame (5). Refer to Frame Cushion or Insulator Replacement (Service and Repair) .




4. Lower the vehicle onto the supported engine frame (2).
5. Using 203 mm (8 in) x 16 mm (0.63 in) dowel pins in the alignment holes (1), align the engine frame (2) to the vehicle.

Notice: Refer to Fastener Notice in Cautions and Notices.

6. Install the engine frame insulator fasteners (3) to retain the engine frame (2) to the vehicle.

Tighten the fasteners to 98N.m (72 lb ft).





7. Raise the vehicle away from the J 39580 or the suitable jack stands.
8. Remove the J 39580 or suitable jack stands from under the vehicle.




9. Install the bolts in order to retain the stabilizer links to the control arms. Refer to Stabilizer Shaft Link Replacement in Suspension.




10. Install the fasteners (2) in order to secure the rear transaxle mount (1) to the engine frame. Refer to Transmission Mount Replacement (Left) Transmission Mount Replacement (Right) in Transmission/Transaxle.




11. Install the fasteners (2) retaining the front engine mount (1) to the engine frame. Refer to Engine Mount Replacement in Engine Mechanical 4.6L.




12. Install the fasteners (2) retaining the front left transaxle mount (1) to the engine frame. Refer to Transmission Mount Replacement (Left) Transmission Mount Replacement (Right) in Transmission/Transaxle.




13. Install the fasteners in sequence (1,2,3,4) and the horizontal fastener (5) retaining the rack and pinion to the engine frame. Refer to Steering Gear Replacement in Power Steering Systems.




14. Connect the engine electrical harness to the retainer clips in order to secure.




15. Position the positive battery cable to the front of the engine frame.

Notice: Refer to Fastener Notice in Cautions and Notices.

16. Install the fasteners in order to secure the positive battery cable to the engine frame.

Tighten the 4 fasteners to 6 N.m (53 lb in).

17. Secure the retainer for the battery cable to the brake pressure modulator valve bracket.
18. Attach the brake pipe line to the retainer clips at the front of the engine frame in order to secure.




19. Install the bracket bolt (1) and engage the retainer clip (2) in order to secure the power steering gear outlet hose to the frame.

Tighten the bracket bolt (1) to 17 N.m (13 lb ft).





20. Close the retainer clip in order to retain the power steering line to the engine frame. Refer to Power Steering Cooler Pipe/Hose Replacement (Gear to cooler) Power Steering Cooler Pipe/Hose Replacement (Cooler to pump) in Steering.




21. Install the brake pressure modulator valve (BPMV). Refer to Brake Pressure Modulator Valve Replacement in ABS Brake Systems.
22. Install the engine splash shield. Refer to Engine Splash Shield Replacement (Service and Repair) in Body Front End.
23. Install the air deflector. Refer to Front Air Deflector Replacement (Service and Repair) in Body Front End.
24. Install the front tires and wheels. Refer to Tire and Wheel Removal and Installation in Tires and Wheels.
25. Lower the vehicle.




26. Remove the J 28467-A supporting the engine.

Important: Apply vehicle weight to the front suspension before tightening the lower control arm retaining bolts.


27. Torque the lower control arm bolts. Refer to Lower Control Arm Replacement in Front Suspension.
28. Connect the negative battery cable. Refer to Battery Negative Cable Disconnection and Connection in Engine Electrical.