Curiosii for ever!: Car repair manuals for everyone.

Generator Replacement

Removal Procedure

1. Disconnect the negative battery cable from the battery.
2. Remove the accessory drive belt.
3. Remove the radiator.






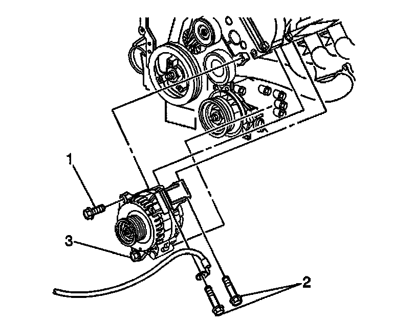
4. Disconnect the generator cooler outlet hose (1) from the generator (3).

5. Remove the generator cooler outlet hose retaining bolt (2).






6. Disconnect the generator cooler inlet hose (2) from the generator (1).






7. Disconnect the following electrical connections from the generator:

- Regulator

- Battery output

- Heated windshield (if equipped)






8. Loosen the lower generator bolt (3).

9. Remove the generator bolts (1, 2) from the generator.

10. Remove the generator from the vehicle.


Installation Procedure






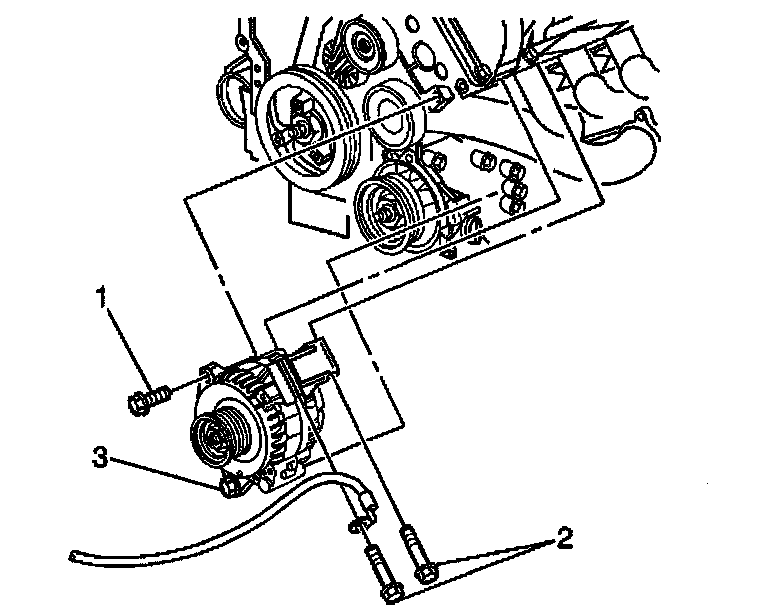
1. Install the generator to the engine.

Notice: Use the correct fastener in the correct location. Replacement fasteners must be the correct part number for that application. Fasteners requiring replacement or fasteners requiring the use of thread locking compound or sealant are identified in the service procedure. Do not use paints, lubricants, or corrosion inhibitors on fasteners or fastener joint surfaces unless specified. These coatings affect fastener torque and joint clamping force and may damage the fastener. Use the correct tightening sequence and specifications when installing fasteners in order to avoid damage to parts and systems.

2. Install the generator bolts (1,2,3).

Tighten the bolts to 50 N.m. (37 lb ft).






3. Connect the following electrical connections to the generator:

- Regulator

- Battery output


Tighten the battery output cable to 13 N.m. (115 lb in).

- Heated windshield (if equipped)






4. Connect the generator cooler inlet hose (2) to the generator (1).






5. Connect the generator cooler outlet hose (1) to the generator (3).

6. Install the generator cooler outlet hose retaining bolt (2) to the generator (3).

Tighten the bolt to 9 N.m. (80 lb in).

7. Install the radiator.

8. Install the accessory drive belt.

9. Connect the negative battery cable from the battery.