Curiosii for ever!
: Car repair manuals for everyone.
Home
>>
Cadillac
>>
2000
>>
DeVille V8-4.6L VIN 9
>>
Repair and Diagnosis
>>
Locations
>>
Component Locations
>>
Modules
>>
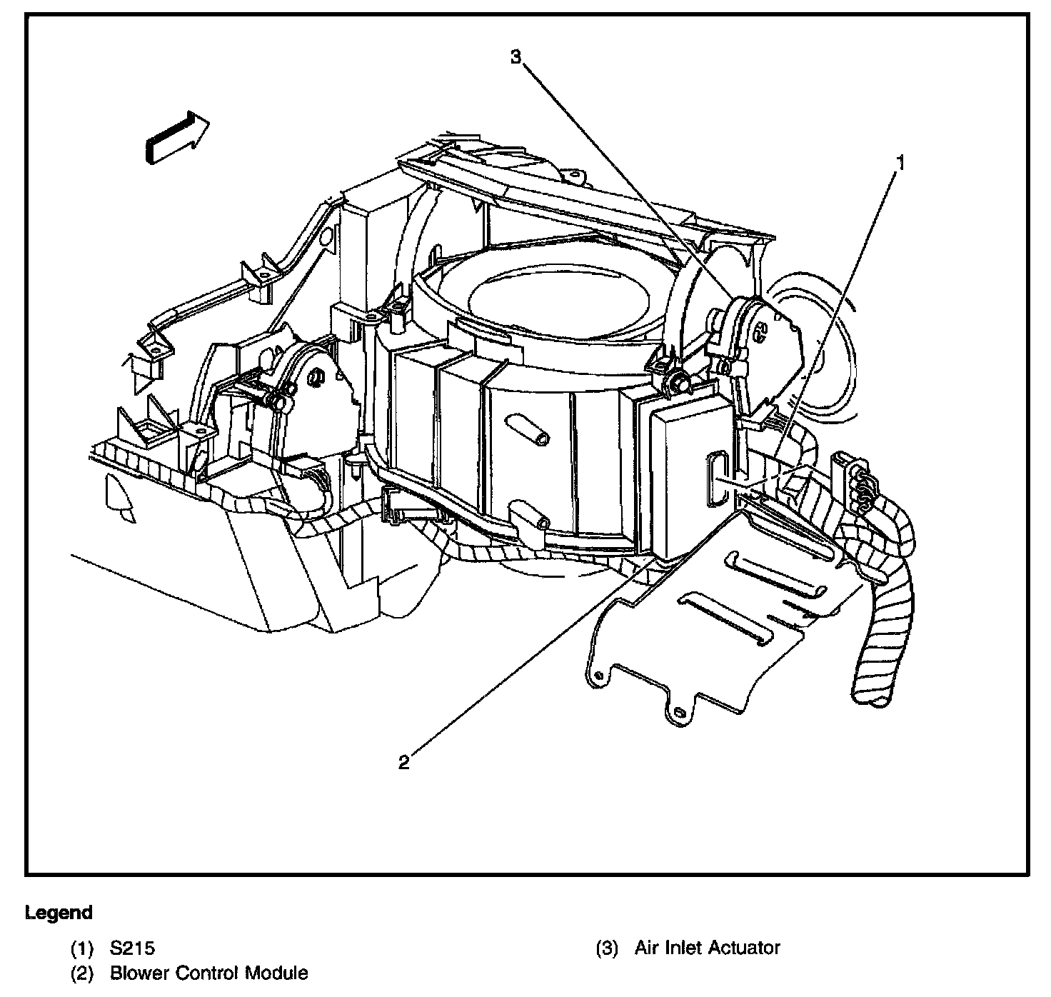
Blower Control Module
Blower Control Module
Under Right Side Of I/P , Right Of Blower Motor: