Curiosii for ever!: Car repair manuals for everyone.

Passenger Front DR Module (PFDM) Power, GD, Inputs & Outputs

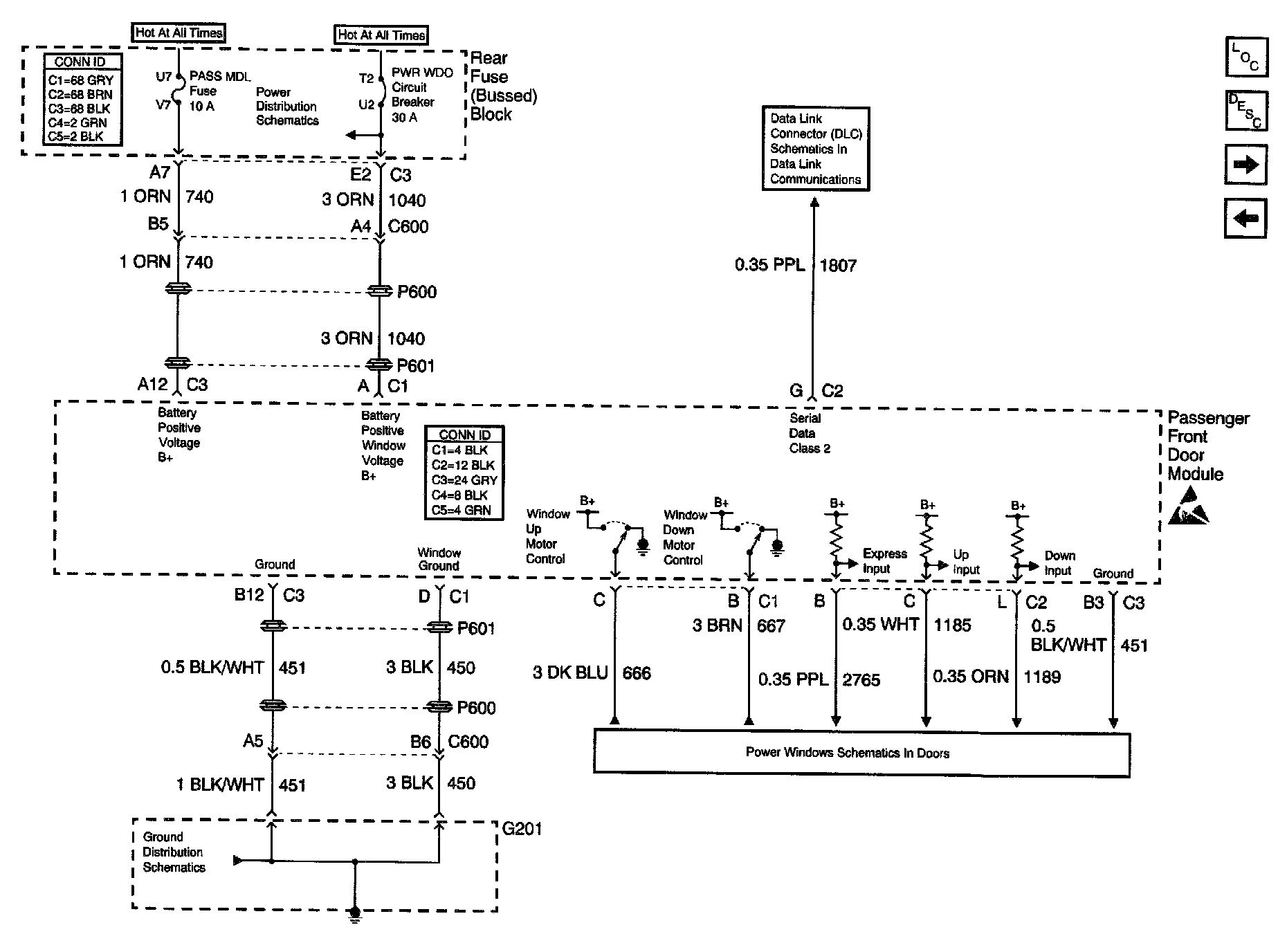
Door Control Module Schematics: Passenger Front Door Module (PFDM) Power, Gd., Inputs And Outputs (Part 1 Of 2):



Door Control Module Schematics: Passenger Front Door Module (PFDM) Power, Gd., Inputs And Outputs (Part 2 Of 2):