Curiosii for ever!: Car repair manuals for everyone.

Electronic Brake Control Module: Service and Repair

Removal Procedure

Notice: To prevent equipment damage, never connect or disconnect the wiring harness connection from the EBCM with the ignition switch in the ON position.

Notice: Avoid getting water, brake fluid or engine coolant into the socket of the EBCM/EBTCM connector. Failure to observe this precaution could result in damage to the EBCM/EBTCM.

1. Turn the ignition switch to the OFF position.





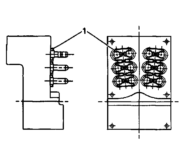
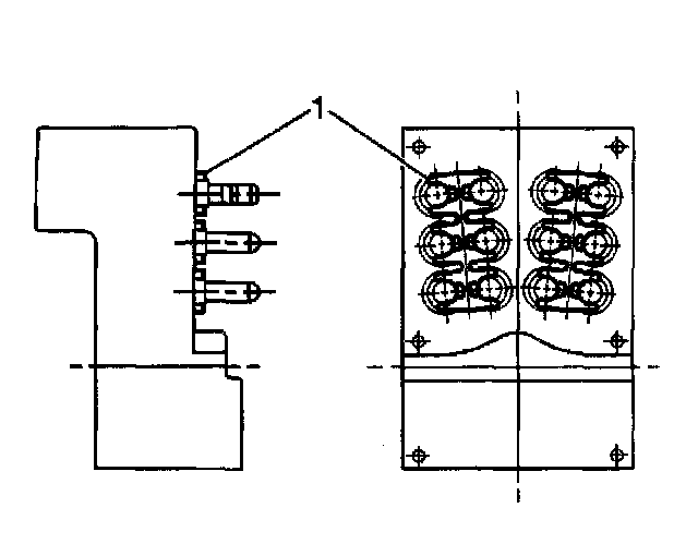
2. Remove the cover from the relay center (1).
3. Remove the Engine Control Module (ECM) (2) from the relay center (1). Move the ECM harness to one side.
4. Remove the lower radiator hose from the engine only. Refer to Radiator Hose Replacement - Outlet in Cooling System. Move the radiator hose to one side.





5. Pull out lock tab from the EBTCM harness connector (1).
6. Disconnect the EBTCM harness connector.





7. Disconnect the pump motor connector (3) at the bottom of the EBTCM.
8. Remove the six EBTCM to BPMV screws (2) and discard.

Important: Be careful not to damage seal. Do not pry apart using a tool.

Important: Care must be taken not to damage the solenoid valves when the EBTCM is removed from the BPMV
9. Separate the EBTCM (1) from the BPMV (5) by gently pulling apart until separated.





10. Remove two wave springs (1) between the EBTCM and BPMV and discard.

Important: Note the location and the orientation of the wave springs in order to aid during installation.

Installation Procedure

Important: Only the new wave spring(s) and screws supplied with the new EBTCM should be used.

1. Clean the BPMV gasket surface with alcohol using a clean rag.





2. Install two wave springs (1) between the EBTCM and BPMV. Use locations and orientation noted during removal.

Notice: Refer to Fastener Notice in Service Precautions.





3. Install the EBTCM (1) to the BPMV (5).
^ Tighten the top four mounting screws (2) to 2.9 Nm (26 inch lbs.). Tighten screws in an X pattern.
^ Tighten the bottom two mounting screws (2) to 2.9 Nm (26 inch lbs.).
4. Connect the pump motor connector (3) to the bottom of the EBTCM.





5. Connect the EBTCM harness connector. Push in lock tab (1).





6. Install the lower radiator hose to the engine. Refer to Radiator Hose Replacement - Outlet in Cooling System.
7. Install the ECM (2) into the relay center (1).
8. Install the cover to the relay center.
9. Turn the ignition switch to the ON position, engine off.
10. Perform the A Diagnostic System Check - ABS