Curiosii for ever!: Car repair manuals for everyone.

Engine Controls Power Relay Circuit Diagnosis

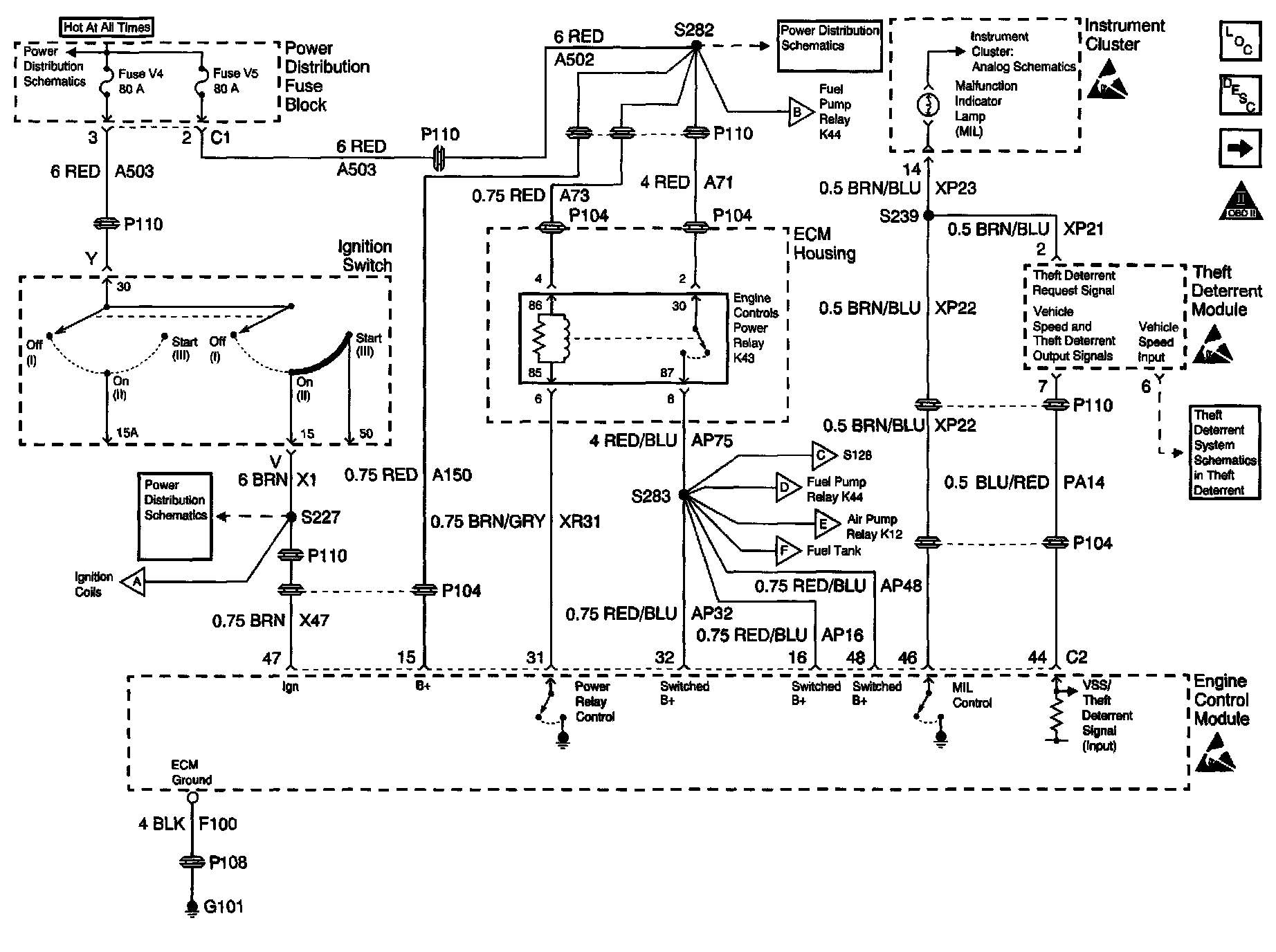
Engine Controls Schematics: Power, Ground, VSS, And MIL:





CIRCUIT DESCRIPTION
The engine controls power relays coil and contacts are connected directly to the battery positive voltage (B+). The Engine Control Module (ECM) controls the relay by grounding the control circuit through an internal solid state device called a driver. When the ECM detects a voltage on the ignition feed circuit, the ECM enables the engine controls power relay. The engine controls power relay controls the switched B+ circuit to the fuel pump relay coil, the fuel injectors, the Heated Oxygen Sensor (HO2S) heaters and the other engine control components that use a switched B+ supply. The ECM also uses the switched B+ circuit to power up a portion of itself, including the circuitry which controls the Malfunction Indicator Lamp (MIL) operation.

DIAGNOSTIC AIDS
Use the J 35616-A connector test adapter kit for any test that requires probing the ECM harness connector or a component harness connector.

Intermittent connections may cause the engine to stall or an intermittent loss of communication. Loss of the switched B+ voltage may cause multiple DTCs to set.

Test for poor connections at the ECM or at the component. Check all other circuits that are spliced to the engine controls power relay for the proper operation. Inspect the harness connectors for intermittent or poor connections. Refer to Testing for Intermittent and Poor Connections.

Refer to Symptoms or Intermittent Conditions for the Intermittents. Symptom Related Diagnostic Procedures Intermittent Malfunctions

TEST DESCRIPTION

Steps 1 - 10:





Steps 11 - 18:





The numbers below refer to the step numbers on the diagnostic table.
15. .This step is to verify the remaining circuits required to operate the ECM and the engine controls power relay.