Curiosii for ever!: Car repair manuals for everyone.

ECM Replacement

NOTE: Always turn the ignition off when installing or removing the ECM connectors in order to prevent damage to the components.

IMPORTANT: In order to prevent any internal ECM damage, the ignition must be turned OFF when disconnecting or reconnecting the power to the ECM. This includes disconnecting or reconnecting the battery cables, the ECM fuse, the jumper cables, etc.





Removal Procedure
1. Turn OFF the ignition.
2. Remove the under hood fuse/relay cover.
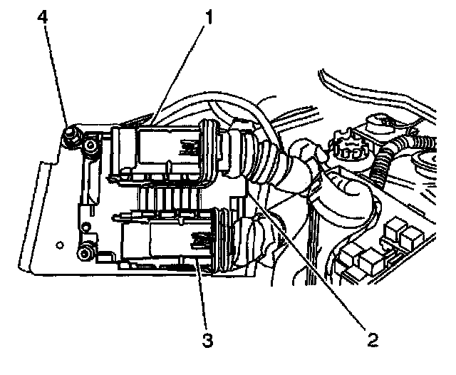
3. Grasp the ECM (2) and slide the unit straight up and out of the underhood relay center.
4. Flip the release lever and disconnect the ECM connectors (1,3) from the ECM.
5. Remove the fastener retaining the ECM ground wire to the ECM.
6. Remove the fasteners that retain the ECM to the backing plate.
7. Remove the ECM from the backing plate.

Installation Procedure
1. The ignition must be OFF.
2. Install the ECM (2) to the backing plate with the fasteners.

Tighten
Tighten the fasteners to 4 N.m (35 lb in).

3. Install the fastener that retains the ECM ground wire to the ECM.

Tighten
Tighten the fastener to 4 N.m (35 lb in).

4. Carefully align the harness connector with the ECM connector.
5. Guide the connector into place while moving the release lever to the locked position.
6. Align the backing plate of the ECM with the slots in the relay center and slide the unit into the underhood relay center.
7. Program the frequency code of the new ECM with the frequency of the theft deterrent module using the following procedure:
7.1. Connect the scan tool to the vehicle.
7.2. Turn ON the ignition with the engine OFF.
7.3. Select Service Programming on the scan tool.
7.4. Program the vehicle configuration as required.
7.5. Follow the instruction on the scan tool to request the information from the controller.
7.6. Remove the scan tool from the vehicle.
7.7. Connect the scan tool to the Techline terminal.
7.8. Follow the instructions on the Techline terminal to perform the Vehicle Theft Deterrent Learn function using the Service Programming System.
7.9. Turn OFF the scan tool.
7.10. Disconnect the scan tool from the Techline terminal.
7.11. Reconnect the scan tool to the vehicle.
7.12. Turn ON the ignition with the engine OFF.
7.13. Return to the Service Programming menu and follow the instructions to program the frequency code.
7.14. After the programming is complete, clear any DTCs that may have set in the ECM prior to learning the correct theft frequency code.
8. Perform the Idle Learn Procedure. Testing and Inspection
9. Install the under hood fuse/relay cover.