Curiosii for ever!
: Car repair manuals for everyone.
Home
>>
Cadillac
>>
2000
>>
Catera V6-3.0L VIN R
>>
Repair and Diagnosis
>>
Powertrain Management
>>
Computers and Control Systems
>>
Relays and Modules - Computers and Control Systems
>>
Body Control Module
>>
Diagrams
>>
Electrical Diagrams
>>
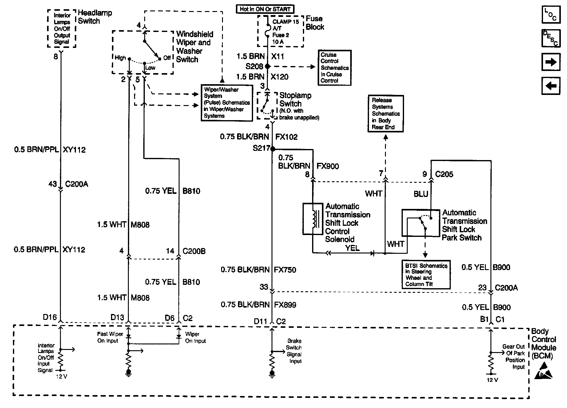
Headlamp, Wiper, and Stoplamp Switch Inputs
Headlamp, Wiper, and Stoplamp Switch Inputs
Body Control Module Schematics: Headlamp, Wiper, And Stoplamp Switch Inputs:
Body Control Module Schematics: Headlamp, Wiper, And Stoplamp Switch Inputs: