Curiosii for ever!
: Car repair manuals for everyone.
Home
>>
Cadillac
>>
2000
>>
Catera V6-3.0L VIN R
>>
Repair and Diagnosis
>>
Powertrain Management
>>
Computers and Control Systems
>>
Coolant Temperature Sensor/Switch (For Computer)
>>
Locations
>>
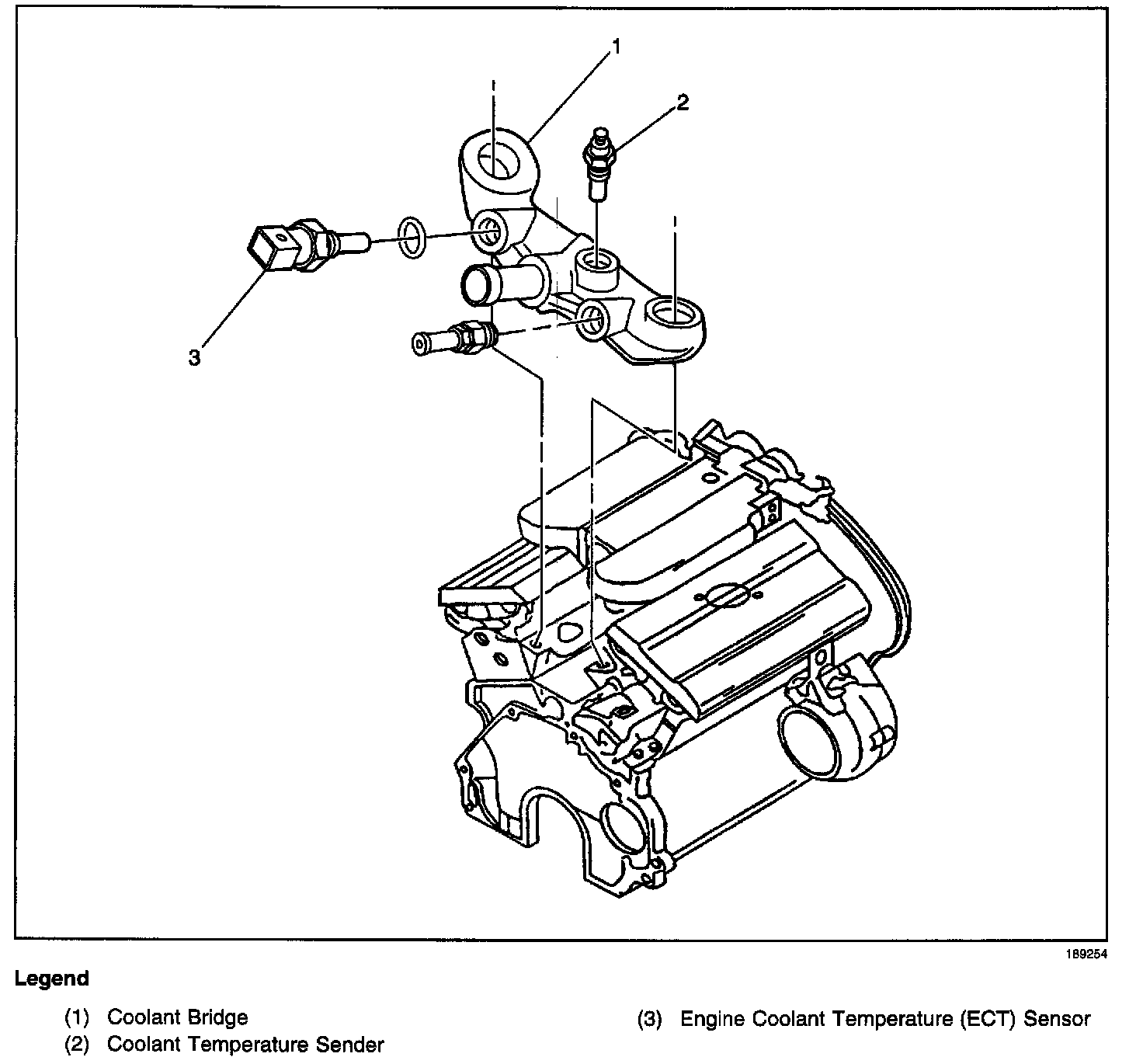
Engine Coolant Temperature (ECT) Sensor
Engine Coolant Temperature (ECT) Sensor
Locations View:
Locations View:
Mounted in coolant bridge