Curiosii for ever!
: Car repair manuals for everyone.
Home
>>
Cadillac
>>
2000
>>
Catera V6-3.0L VIN R
>>
Repair and Diagnosis
>>
Diagrams
>>
Exploded Views
>>
Engine
Engine
Manifolds and Related Components
Cylinder Head and Components
Front of Engine Components
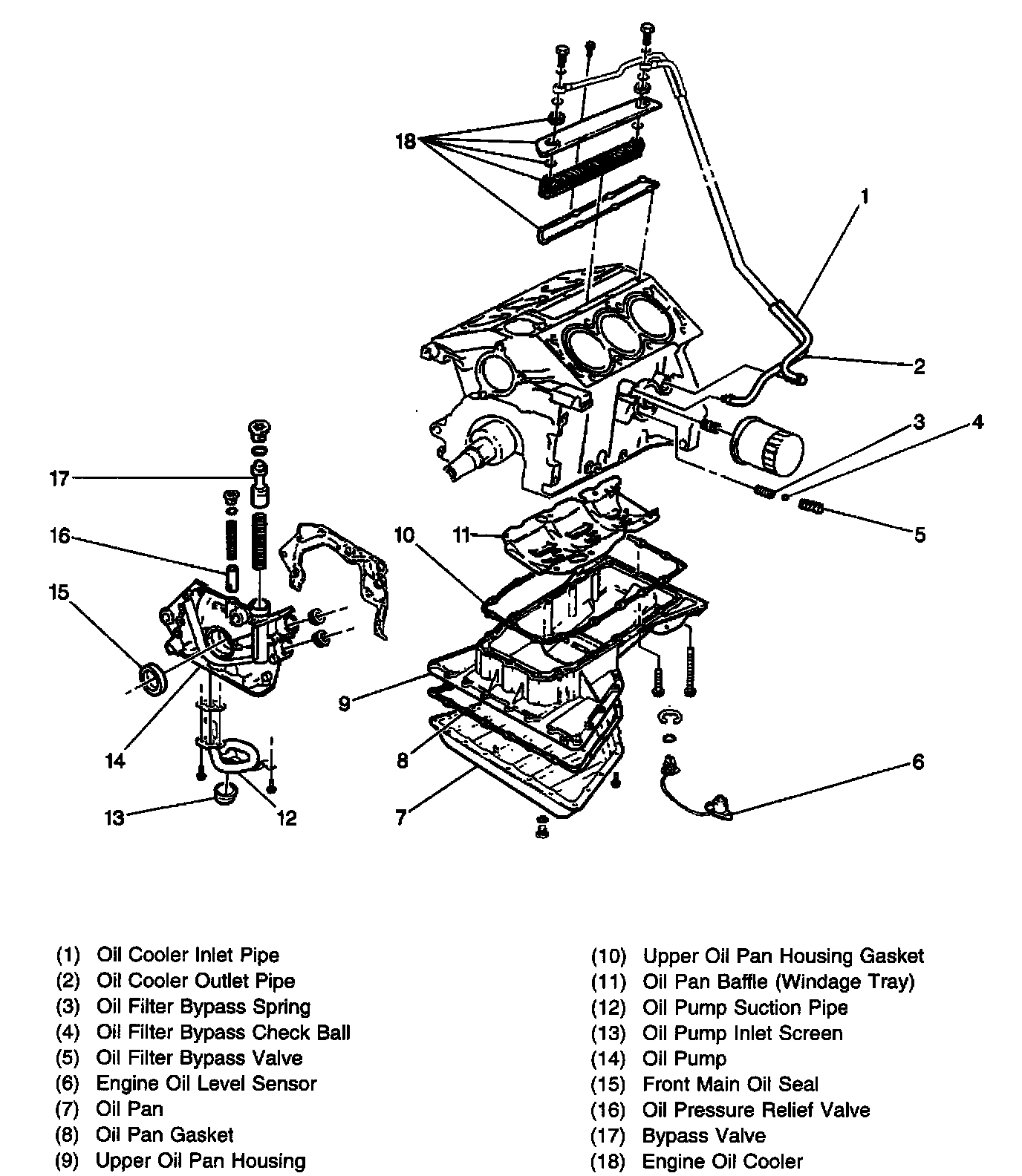
Oil Pan
and Oil Delivery Components
Crankshaft
/
Piston
Components