Curiosii for ever!
: Car repair manuals for everyone.
Home
>>
Cadillac
>>
1999
>>
DeVille V8-4.6L VIN Y
>>
Repair and Diagnosis
>>
Relays and Modules
>>
Relays and Modules - Restraints and Safety Systems
>>
Air Bag Control Module
>>
Locations
>>
Component Locations
>>
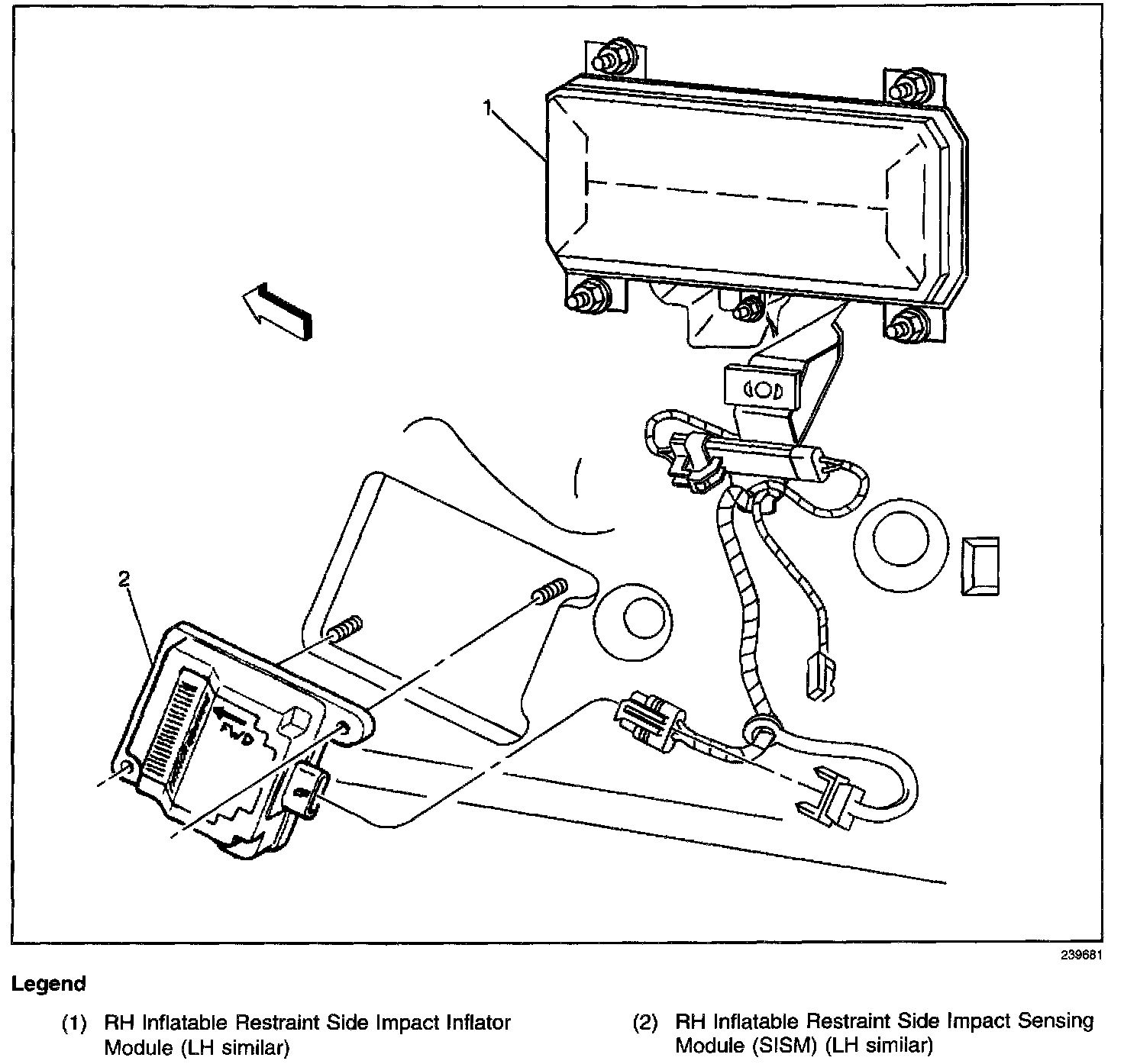
Side Impact Sensor Module
Side Impact Sensor Module