Curiosii for ever!: Car repair manuals for everyone.

Installation Procedure








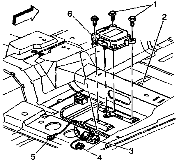
1. Install the SDM (6) to the floor sheetmetal (2).

Notice: Refer to Fastener Noise in Cautions and Notices. Fastener Precautions

2. Install the SDM mounting fasteners (1).

Tighten
Tighten fasteners to 9 N.m (80 lb in).

3. Install the SDM harness connector (2) to the SDM (1).
4. Install the Connector Position Assurance (CPA) (3) to the SDM harness (2) connector.
5. Install the passenger carpet retainer. Refer to Carpet Retainer Replacement (Front) in Interior Trim.
6. Install the passenger seat. Refer to Seat Replacement - Front Bucket in Seats.
7. Enable the SIR system. Refer to Enabling the SIR System. Enabling the SIR System