Curiosii for ever!
: Car repair manuals for everyone.
Home
>>
Cadillac
>>
1998
>>
Seville STS V8-4.6L VIN 9
>>
Repair and Diagnosis
>>
Relays and Modules
>>
Relays and Modules - Brakes and Traction Control
>>
Electronic Brake Control Module
>>
Locations
>>
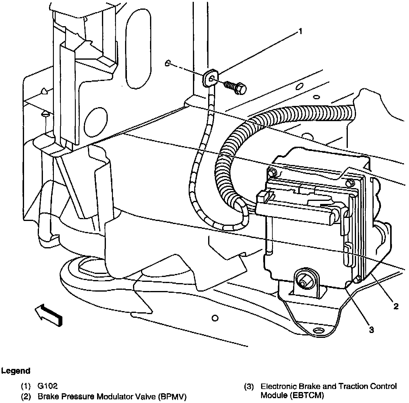
Electronic Brake and Traction Control Module Component Views
Electronic Brake and Traction Control Module Component Views
Left hand front corner of the engine compartment, below the air cleaner housing.